| |
高频开关电源电路原理 |
|
[ 通信界 | 中国电力通信网 | www.cntxj.net | 2006/3/22 22:12:45 ]
|
|
|
|
|
|
| |
高频开关电源由以下几个部分组成(见下图):
一、主电路 从交流电网输入、直流输出的全过程,包括: 1、输入滤波器:其作用是将电网存在的杂波过滤,同时也阻碍本机产生的杂波反馈到公共电网。 2、整流与滤波:将电网交流电源直接整流为较平滑的直流电,以供下一级变换。 3、逆变:将整流后的直流电变为高频交流电,这是高频开关电源的核心部分,频率越高,体积、重量与输出功率之比越小。 4、输出整流与滤波:根据负载需要,提供稳定可靠的直流电源。
二、控制电路 一方面从输出端取样,经与设定标准进行比较,然后去控制逆变器,改变其频率或脉宽,达到输出稳定,另一方面,根据测试电路提供的数据,经保护电路鉴别,提供控制电路对整机进行各种保护措施。
三、检测电路 除了提供保护电路中正在运行中各种参数外,还提供各种显示仪表数据。
四、辅助电源 提供所有单一电路的不同要求电源。

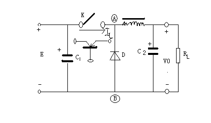
开关控制稳压原理

开关K以一定的时间间隔重复地接通和断开,在开关K接通时,输入电源E通过开关K和滤波电路提供给负载RL,在整个开关接通期间,电源E向负载提供能量;当开关K断开时,输入电源E便中断了能量的提供。可见,输入电源向负载提供能量是断续的,为使负载能得到连续的能量提供,开关稳压电源必须要有一套储能装置,在开关接通时将一部份能量储存起来,在开关断开时,向负载释放。图中,由电感L、电容C2和二极管D组成的电路,就具有这种功能。电感L用以储存能量,在开关断开时,储存在电感L中的能量通过二极管D释放给负载,使负载得到连续而稳定的能量,因二极管D使负载电流连续不断,所以称为续流二极管。在AB间的电压平均值EAB可用下式表示: EAB=TON/T*E 式中TON为开关每次接通的时间,T为开关通断的工作周期(即开关接通时间TON和关断时间TOFF之和)。 由式可知,改变开关接通时间和工作周期的比例,AB间电压的平均值也随之改变,因此,随着负载及输入电源电压的变化自动调整TON和T的比例便能使输出电压V0维持不变。改变接通时间TON和工作周期比例亦即改变脉冲的占空比,这种方法称为“时间比率控制”(Time Ratio Control,缩写为TRC)。 按TRC控制原理,有三种方式: 一、脉冲宽度调制(Pulse Width Modulation,缩写为PWM) 开关周期恒定,通过改变脉冲宽度来改变占空比的方式。 二、脉冲频率调制(Pulse Frequency Modulation,缩写为PFM) 导通脉冲宽度恒定,通过改变开关工作频率来改变占空比的方式。 三、混合调制 导通脉冲宽度和开关工作频率均不固定,彼此都能改变的方式,它是以上二种方式的混合。
第三节 开关电源的发展和趋势
1955年美国罗耶(GH.Roger)发明的自激振荡推挽晶体管单变压器直流变换器,是实现高频转换控制电路的开端,1957年美国查赛(Jen Sen)发明了自激式推挽双变压器,1964年美国科学家们提出取消工频变压器的串联开关电源的设想,这对电源向体积和重量的下降获得了一条根本的途径。到了1969年由于大功率硅晶体管的耐压提高,二极管反向恢复时间的缩短等元器件改善,终于做成了25千赫的开关电源。 目前,开关电源以小型、轻量和高效率的特点被广泛应用于以电子计算机为主导的各种终端设备、通信设备等几乎所有的电子设备,是当今电子信息产业飞速发展不可缺少的一种电源方式。目前市场上出售的开关电源中采用双极性晶体管制成的100kHz、用MOS-FET制成的500kHz电源,虽已实用化,但其频率有待进一步提高。要提高开关频率,就要减少开关损耗,而要减少开关损耗,就需要有高速开关元器件。然而,开关速度提高后,会受电路中分布电感和电容或二极管中存储电荷的影响而产生浪涌或噪声。这样,不仅会影响周围电子设备,还会大大降低电源本身的可靠性。其中,为防止随开关启-闭所发生的电压浪涌,可采用R-C或L-C缓冲器,而对由二极管存储电荷所致的电流浪涌可采用非晶态等磁芯制成的磁缓冲器。不过,对1MHz以上的高频,要采用谐振电路,以使开关上的电压或通过开关的电流呈正弦波,这样既可减少开关损耗,同时也可控制浪涌的发生。这种开关方式称为谐振式开关。目前对这种开关电源的研究很活跃,因为采用这种方式不需要大幅度提高开关速度就可以在理论上把开关损耗降到零,而且噪声也小,可望成为开关电源高频化的一种主要方式。当前,世界上许多国家都在致力于数兆Hz的变换器的实用化研究。
|
1作者:中国电力通信网 来源:中国电力通信网 编辑:顾北 |
|
|
|
|
|
声明:①凡本网注明“来源:通信界”的内容,版权均属于通信界,未经允许禁止转载、摘编,违者必究。经授权可转载,须保持转载文章、图像、音视频的完整性,并完整标注作者信息并注明“来源:通信界”。②凡本网注明“来源:XXX(非通信界)”的内容,均转载自其它媒体,转载目的在于传递更多行业信息,仅代表作者本人观点,与本网无关。本网对文中陈述、观点判断保持中立,不对所包含内容的准确性、可靠性或完整性提供任何明示或暗示的保证。请读者仅作参考,并请自行承担全部责任。③如因内容涉及版权和其它问题,请自发布之日起30日内与本网联系,我们将在第一时间删除内容。 |
|
|
|
|
|
|
|
|
|
|