华东师范大学 朱明珏 张福民
摘 要:欧洲ST公司的ST7536是一个半双工、同步FSK调制解调器芯片。它专为低压电力线传输而设计,较好地克服了低压电力线载波传输中的技术问题。本文详细介绍ST7536的原理及具体应用示例。
关键词: 低压电力线MODEMST7536电力线接口
随着国家电力公司“一户一表、抄表到户”用电管理模式的推广和普及,利用220V低压电力线传输信息的载波集抄系统产品应运而生。这样电力载波技术成为抄表系统的关键。当前国内主要应用的是FSK电力线载波调制技术。
低压电力线是为传输50Hz的工频电能而铺设的。由于不是为通信铺设的,故其特性往往较难直接满足载波通信的要求。这直接体现在两方面:第一、电力网络的阻抗特性及其衰减,制约了信号的传输距离;第二、低压电力线上的噪音干扰,制约了信号的传输质量。
由于在低压电力线上存在诸多使载波信号的信噪比急剧下降的因素,使得载波信号难以在一个供电区域内较好地传输,这样就须选取合适的低压电力线MODEM。在应用中,我们选择了欧洲ST公司的电力载波调制解调器芯片ST7536。
一、 ST7536芯片介绍

图1 ST7536构成的通信系统
ST7536是一种半双工、同步的FSK MODEM。它专为低压电力线网络通信而设计。用ST7536构造一个完整的通信系统,还必须包括1个微控制器(单片机)和1个电力线接口,如图1所示。这样的系统能够在4个不同的信道上以2种不同的数据传输率(600和1200bps)进行发送和接收。
ST7536是单芯片MODEM,有28个引脚;它是半双工的,有发送和接收两种工作模式;它又是同步的,因为数据的发送和接收与时钟信号有关。时钟信号由ST7536内部产生。ST7536芯片还需要一些外部元件来完成所有操作:1个晶振,4个电阻和5个电容。
1ST7536芯片引脚 ST7536芯片引脚如图2所示。

图2 ST7536 芯片引脚
2ST7536芯片引脚说明
从功能上看,这28个引脚可大致分为如下11类。
|
引脚 |
名称 |
类型 |
说明 |
|
1 |
Rx/Tx |
数字 |
发送或接收模式选择输入 |
|
2 |
RESET |
数字 |
逻辑复位和电源关闭模式输入。低有效 |
|
3 |
TEST4 |
数字 |
测试输入,选择发送频段滤波器。高有效 |
|
4 |
TEST3 |
数字 |
测试输入,进入时钟恢复输入阶段。TEST1为高时选择输入 |
|
5 |
RxD |
数字 |
同步接收数据输出 |
|
6 |
CLR/T |
数字 |
和功能模式相关的发送接收时钟输出 |
|
7 |
RxDEM |
数字 |
解调后的数据输出 |
|
8 |
DGND |
|
数字地 |
|
9 |
DVDD |
|
数字正电压:5(1±0.05)V |
|
10 |
TEST1 |
数字 |
测试输入,取消发送到接收模式的自动切换,使TEST3输入有效。高有效 |
|
11 |
TEST2 |
数字 |
测试输入,减小发送到接收模式自动切换的时间。高有效 |
|
12 |
TxD |
数字 |
发送数据输入 |
|
13 |
XTAL2 |
数字 |
振荡器输出 |
|
14 |
XTAL1 |
数字 |
振荡器输入 |
|
15 |
CHS |
数字 |
信道选择输入 |
|
16 |
AFCF |
数字 |
波特率选择输入 |
|
17 |
DVSS |
模拟 |
自动频率控制输出,连接外部补偿电路 |
|
18 |
IFO |
|
数字负电压:-5(1±0.05)V |
|
19 |
DEMI |
模拟 |
中间频率滤波器输出 |
|
20 |
AVSS |
模拟 |
FSK解调输入 |
|
21 |
AGND |
|
模拟负电压:-5(1±0.05)V |
|
22 |
AGND |
|
模拟地:0V |
|
23 |
AVDD |
|
模拟正电压:5(1±0.05)V |
|
24 |
RAI |
模拟 |
接收模拟输入 |
|
25 |
RxFO |
模拟 |
接收滤波器输出 |
|
26 |
TXFI |
模拟 |
发送滤波器输入(TEST4为高时被选中) |
|
27 |
ALCI |
模拟 |
自动等级控制输入 |
|
28 |
ATO |
模拟 |
模拟发送输出 |
|
29 |
|
模拟 |
|
(1) 电源供应输入:DGND、DVDD,DVSS,AVSS,AGND,AVDD。 ST7536内部有数字和模拟两个独立的电源供应;而外部的电源供应是应该接在一起的。
(2) 信道和波特率的选择:CHS、BRS。 ST7536提供600和1200baud两种波特率,通过BRS选择;对每种波特率,ST7536提供两个信道,通过CHS来选择。具体情况如表2所列。
(3) 振荡器输入、输出:XTAL1、XTAL2。 ST7536的内部振荡器需要1个外部110592MHz的晶振和2个电容。也可以直接往振荡器输入时钟信号,这种情况下晶振和电容都不必要了。
表 2
|
BRS |
CHS |
波特率/band |
频率/kHz TxD=1 |
频率/kHz TxD=0 |
|
0 |
0 |
600 |
81.75 |
82.35 |
|
0 |
1 |
600 |
67.20 |
67.80 |
|
1 |
0 |
1200 |
71.40 |
72.60 |
|
1 |
1 |
1200 |
85.95 |
87.15 |
(4) 自动频率控制的稳定:AFCF。 自动频率控制部分调节发送/接收频段滤波器的中心频率。这部分功能的稳定性由外接的电阻电容网络电路来保证。
(5) 自动等级控制输入:ALCI。 自动等级控制处理发送信号的最后输出。它使得功率放大器的输出电压不受电力线网络变化的影响。一般电力线网络的电阻在5~100Ω。如果电力线电阻改变了,则放大器的输出也相应改变。自动等级控制输入可以纠正这些输出变化。为了控制电力线接口的输出,需要一个反馈信号,这个信号通过一个放大器来传送。自动等级控制可以以32步,每步0.84dB来减小最大的发送输出值。探测自动等级控制输入的峰值,和两个参考电压相比较,进行相应处理。这样保证输入的放大器反馈信号的峰值电压在两个参考电压之间。
(6) 数据输入和输出:RxD、CLR/T、RxDEM、TxD。 ST7536是同步的调制解调器,数据输入和输出都和时钟(CLR/T)有关。发送模式下,ST7536自己产生时钟信号,发送的数据在CLR/T的上升沿被采样,所以这时TxD有效。接收模式下,解调后的数据在引脚RxDEM上有效,时钟恢复电路从解调后的数据中取得时钟信号,在CLR/T上升沿发送同步数据(RxD)。
(7) 测试输入:TEST1、TEST2、TEST3、TEST4。 TEST2、TEST3、TEST4通常不用,被置成0V;TEST1可用来取消发送到接收模式的自动切换。
(8) 中间频率滤波器输出和FSK解调输入:IFO、DEMI。 这两个引脚之间通过1个电容来连接。
(9) 接收输入和发送输出:RAI、ATO。 RAI是ST7536的接收模拟输入。它和电力线接口的接收输出相连,最大输入电压的均方根值是2V。接收灵敏度的均方根值在信道1和信道2(600 baud)上是2mV;在信道3和信道4(1200 baud)上是3mV。 ATO是ST7536的发送输出,它和电力线接口的发送输入相连。模拟发送输出由自动等级控制输入电路来调整。最大输出电压的峰-峰值是3.5V,二次谐波失真大约为-53 dB。
(10) 接收/发送控制输入:
Rx/x。 ST7536是半双工的调制解调器,所以有发送和接收两种操作模式。模式选择取决于Rx/x输入。如果这个输入为“0”,超过3s,ST7536自动切换回接收模式。为了解决这个问题,可以使用TEST1输入。只要把TEST1输入置为“1”,就可以禁止模式的自动切换。
(11) 重启输入:RESET。
3 ST7536芯片功能结构图
ST7536芯片功能结构图如图3所示。

图3 ST7536功能结构图
4 ST7536芯片工作流程说明
发送模式:TxD在时钟(CLR/T)的上升沿被采样,然后数据进入FSK调制器。调制器在由时基和控制逻辑所设置的频率上工作。通常情况下,多路开关(MUX)选择FSK调制器信号送到发送滤波器。发送滤波器是可切换的电容频段滤波器。时基和控制逻辑使用自动频率控制(AFC)在发送频率上设置这个滤波器,它也和所选择的信道相关。滤波后,待发送信号进入一个自动等级控制(ALC)。这个控制用来克服电力线阻抗变动问题。因为电力线本身特性就有频繁而且不可预测的变动。自动等级控制利用来自电力线接口的一个反馈信号(ALCI)来调节最终的发送输出信号(ATO)。
接收模式:信号进入芯片接收模拟输入引脚(RAI)。接收信号在接收频段滤波器中进行滤波。接收滤波器和发送滤波器类似,也是一个可切换的电容滤波器。自动频率控制用来设置合适的频率。信号被放大,接着被转换,再由频段滤波器进行滤波。这样处理后的信号被送到FSK解调器。频段滤波器输出(IFO)和FSK解调输入(DEMI)通过一个外部电容来连接,这个电容能够去掉最后的偏移电压。时钟恢复电路从FSK解调器的解调输出(RxDEM)中得到接收时钟(CLR/T)。同步接收到的数据(RxD)在时钟的上升沿被有效发送出去。
时基部分发送所有内部时钟信号,这些信号来自11.0592MHz的晶振。振荡器连接XTAL1和XTAL2两个引脚。也可以直接在XTAL1引脚上提供时钟信号来取代使用上面的晶振。
为了调试芯片,测试外部电路,ST7536提供了几个测试选项。用发送频段滤波器上的一个直接输入就可以观察发送频段滤波器的工作情况。如果TEST4=1,那么多路开关就选择这个发送滤波器输入(TxFI)。接收频段滤波器在25引脚输出。最后,TEST1=1时可以观察到时钟恢复的情况,这时TEST3输入直接作为时钟恢复模块的输入。
二、 ST7536的外围电路——电力线接口
电力线接口(PLI)连接着ST7536芯片和低压电力线。图4是根据ENEL规范设计的一种电力线接口电路。

图4 电力线接口图
在发送模式下,电力线接口把来自ST7536芯片ATO的发送信号进行放大和滤波。缓冲区的作用是保护ST7536,并且驱动电力线接口中的下一个部件。低通滤波器(LPF)的作用是抑制谐波。滤波后的信号被送入功率放大器,这个功率放大器通过转换器来驱动阻抗为1~100Ω的电力线。此外,放大器也进行频段滤波,来抑制发送信号的二次谐波。
在接收模式下,转换器从电力线上取得信号,在预放大器中进行放大,再送给ST7536的接收输入引脚RAI。这种模式下,为了避免功率放大器的低输出阻抗所造成接收信号的衰减,关闭缓冲器和功率放大器。
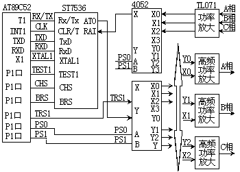
三、 ST7536芯片的一个应用
以上详细介绍了ST7536芯片。下面简单介绍这个芯片的一个应用实例,给出ST7536和单片机及电力线接口简单结构图,如图5所示。

图5 ST7536的一个应用结构图
结束语
本文详细介绍了低压电力载波MODEM ST7536芯片的结构、原理及具体应用。在整个系统的运行中,ST7536工作高效而稳定,较好地解决了利用低压电力线载波传输中的技术问题。这对于边远地区利用电力线上INTERNET也有参考价值。