CNTXJ.NET | 通信界-中国通信门户 | 通信圈 | 通信家 | 下载吧 | 说吧 | 人物 | 前瞻 | 智慧(区块链 | AI
 国际新闻 | 国内新闻 | 运营动态 | 市场动态 | 信息安全 | 通信电源 | 网络融合 | 通信测试 | 通信终端 | 通信政策
 专网通信 | 交换技术 | 视频通信 | 接入技术 | 无线通信 | 通信线缆 | 互联网络 | 数据通信 | 通信视界 | 通信前沿
 智能电网 | 虚拟现实 | 人工智能 | 自动化 | 光通信 | IT | 6G | 烽火 | FTTH | IPTV | NGN | 知本院 | 通信会展
您现在的位置: 通信界 >> 光通信 >> 技术正文
 
ROADM技术的发展及应用趋势探讨
[ 通信界 | 吕洪涛 肖家宾 臧志宏 | www.cntxj.net | 2018/11/12 21:17:38 ]
 

0  引言

20世纪70年代,激光器和光纤技术相继有了重大突破,使得光纤通信的应用变成可能。美国贝尔研究所发明了低损耗光纤制作法(CVD法,汽相沉积法),使光纤损耗降低到1 dB/km;1977年,贝尔研究所和日本电报电话公司几乎同时研制成功寿命达100万小时的半导体激光器,从而有了真正实用的激光器。1977年,世界上第一条光纤通信系统在美国芝加哥市投入商用,速率为45 Mbit/s。

光纤通信的引入让传输的容量得到几何级的增长,带动了通信产业应用的快速发展。随着网络运营者对DWDM网络管理和调度灵活性要求的提高,在21世纪初,ROADM架构得到商业部署。其架构从第1代的二维ROADM系统,到第2代多维ROADM系统,到第3代集成了穿通层、上下路层及光通道格栅的可重构性为一体的PXC(Photonic CrossConnect System)系统,其灵活度越来越高,实现了光通道层的任意到任意的交叉调度。

ROADM以其灵活调度、交换容量大、时延低、功耗低等特点越来越受到运营商和企业客户的青睐;弹性栅格ROADM是迈向100G+和超级通道的必要条件,而控制平面及SDN的引入让ROADM网更加健壮,管理更加灵活,更易于实现多厂商互操作,让解耦型的OPEN ROADM成为可能。ROADM技术在欧美运营商及企业客户中已经成熟商用多年,近几年国内运营商开始进行ROADM的现网实验和商用部署。

1  ROADM的可重构性的发展

1.1  第1代ROADM 2维度可重构架构

2001开始首次实现商业化的ROADM 技术是波长阻断器(WB)技术,其工作原理如图1所示,通过分光器把所有波长信号都按功率分为2束,一束经过WB 模块,另一束则传到下行滤波器,将选定的信号在本地下路,实现波长选收。技术已经很成熟,在上/下路波长数目不多时,其具有结构简单、成本低、模块化程度高等优点。

 

图1 基于WB技术的ROADM架构

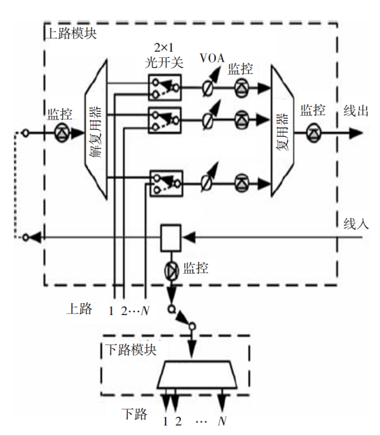
2003 年前后,出现了基于平面光波导回路(PLC) 技术,通过集成波导技术,将解复用器(通常是AWG)、1×2 或2×2 光开关、VOA、分光器及复用器等集成在一块芯片上,提高了ROADM 的集成度,降低了系统成本。其功能如图2所示。

 

图2 基于PLC技术的ROADM架构示意图

2个维度的ROADM,适用于简单的链状或环状组网,技术特点为:从一个方向光纤来的多波长信号首先通过分光器分成直通和下路两部分,直通部分经解波去掉下路波长后与上路多波长合波输出。本地可方便地重构上/下路波长,从而避免O/E/O 的转换,节省相关费用。这也有助于减少时延,提供透明的比特率,有利于网络的规划、管理和维护。

1.2   第2代ROADM 多维度可重构架构

2个维度以上互连的ROADM架构能够完成2个以上方向或自由度互连,可以满足组多个环网或者网状网的需求,核心器件是波长选择开关(WSS——wavelength Selective Switch)。WSS 最大的特点是每个波长都可以被独立地交换。多端口的WSS 模块能独立地将任意波长分配到任意路径,因此基于WSS 技术的ROADM具有多个自由度,可实现Mesh 网络互联。

如图3所示,主流WSS采用衍射光栅或AWG进行滤波,然后通过MEMS控制微反射镜进行波长交换。典型维度数为4~9个维度,架构可以分为B&S (Broadcast and Select)和R&S (Route and Select)。厂商根据市场需求开始加入上下路层的可重构技术,如Colorless、Directionless 或Colorless + Directionless。

 

图3 基于MEMS的WSS架构示意图

2个维度以上的ROADM架构,采用了多端口WSS模块,加上后期引入的无色无向功能,已经可以实现很高的光层弹性,将任意波长指配到任意路径,从而实现Mesh 网络互联。

1.3  第3代ROADM 多维度、弹性栅格、上下路可重构光交叉架构

第3代ROADM集穿通层、上下路层及光通道格栅的可重构性为一体,称为新一代的PXC系统(Photonic CrossConnect System)。如图4所示,主流WSS采用硅基液晶(LCOS)技术,实现弹性栅格(flexi-grid)功能,支持可变channel宽度以及超级通道。目前商用的维度为4~20维。

 

图4 基于LCOS技术的WSS工作原理

弹性栅格是第3代ROADM的一个重要技术。在传统DWDM技术中,各种的分合波器件,如Mux、Demux、ROADM等都是基于固定的带宽栅格定义,如50/100 GHz。而在可变带宽光网络中,为了支持新型高速和超高速数据传输并提高网络资源利用率,系统根据各信号需要的频谱分配不同的带宽。因此在可变带宽光网络中,所有的分合波器件需要能够进行动态带宽分配,其中可以进行动态波长上下和带宽分配的新型ROADM显得尤为重要,因为目前就灵活栅格涉及使能技术而言,商用器件中仅可变带宽ROADM相对成熟。

如图5所示,传统的DWDM系统使用固定的50/100 GHz栅格,中心频率和通道宽度都是确定的,即使只有不到25 GHz宽度的10G/40G波道,也需要占用50 GHz的光谱,而且无法支持多个载波的超级通道。引入了弹性栅格技术后,通过对不同速率的通道定义不同的中心频率和通道宽度,可以大大提高光谱效率和传送容量,还可以利用超级通道更低的滤波代价来提升传送距离。

 

图5 弹性栅格带来的频谱效率的提升

在上下路层,采用C-AD、CD-AD或CDC-AD实现其可重构性。其中CDC-AD采用多级开关(Multi-Cast Switch)。上下路也需要支持弹性栅格,以保障端到端的栅格重构性(见图6)。

 

图6 C-AD、CD-AD、CDC-AD上下路架构

相干滤波技术的采用让ROADM上下路不再需要堆叠很多的WSS来进行滤波,其架构变得简单、经济,也为现网部署提供了有利条件。

2  ROADM应用的优势和限制

2.1  ROADM应用的优势

ROADM作为可以在光层灵活调度的波分复用系统,其应用的优势包括:

a) 灵活调度,交换容量大,任意波长可以从任一方向交换到任一方向。

b) 时延低,尽可能减少电层处理时间。

c) 功耗低,目前平均一个维度光交叉带来的功耗约为50 W,将来会进一步降低。

d) 空间占用少,WSS等光器件不断向小型化低功耗方向发展。

e) 灵活光栅WSS,支持100G+和超级通道。

f) GMPLS 控制平面,提升网络弹性和生存能力。

2.2  ROADM应用的限制

受限于光传送的特性和ROADM的架构,ROADM的应用目前还有一些限制:

a) 灵活度只到光通道层面,无法实现更小颗粒业务的aggregation和grooming。

b) 需考虑光损伤、性能感知,否则可能路由可达,但性能不可达。

2.3  ROADM部署的时机

具体选择何种架构方案,需要基于各方面因素进行综合考虑。ROADM应用的优势和限制特征鲜明,是否采用主要取决于应用场景和成本因素。从网络的特征及发展趋势来看,目前是ROADM部署的很好时机。

a) 带宽需求增长,受限功耗和体积,电交叉容量无法无限制增加。

b) 业务颗粒变大,一干二干甚至城域的调度颗粒从10G为主逐渐演变成100G为主,业务汇聚和梳理的需求变弱。

c) 时延要求提高,用户端业务对实时性要求越来越高。

d) 对网络弹性和生存能力要求更高。

e) WSS器件footprint和成本大幅减低。

f) 光性能感知技术的实现,解决了ROADM的相关技术瓶颈。

g) SDN让ROADM更智能,更高效。

h) 能耗和空间越来越成为工程建设的瓶颈。

3  ROADM的未来发展趋势

随着越来越多的ROADM网络的部署和应用,市场对ROADM技术提出了新的要求。

3.1  WSS器件发展趋势

新的架构和需求要求WSS性能提升,端口数量增加,成本空间降低等,包括:

a) 提升器件性能,如减小插损,改善滤波形态降低滤波代价。

b) 提升WSS端口数量,满足C-AD/CDC-AD对WSS端口的高消耗。

c) 集成的N×M CD-AD,提升集成度并降低成本。

d) 降低WSS单体成本。

e) 降低footprint。

3.2  光性能感知

在光层性能方面,需考虑光损伤、性能感知,否则可能路由可达,但性能不可达。需要离线或在线的规划软件对光性能进行验证,保证端到端的性能可达。

目前对光性能感知的实现主要有3种方式。

a) 第1种是用离线的规划软件,根据网络目前的相关状态,比如光缆类型/长度/衰耗、CD、PMD等,静态地计算路径的光性能有效性,如果性能OK则将对应的连接建立,否则不予建立连接,需要另外找别的路径。这种方式适用于静态路径和时效性要求不高的场景。

b) 第2种是用离线的规划软件,根据网络目前的相关状态,比如光缆类型/长度/衰耗、CD、PMD等,静态地计算OMS link的光性能,将其等价为一定数值来表征其性能代价,网管或控制平面可以通过计算经过OMS的代价值来判断光性能是否可达。这种方式可以应用在静态路径或动态重路由的场景,限制是性能代价值不是实时的,不能精确反映当前网络状态。

c) 第3种则是将规划引擎植入到网管或SDN控制器里,实现动态路由计算后的实时光性能验证。这种方案是最准确实时的,但是对规划引擎的算法及相关主机硬件性能提出很高的要求。

3.3  Open ROADM

从IT行业的硬件、操作系统和应用的分离,到最近的数据中心的计算、存储和网络的分离,解耦的趋势正向更广范围的通信设备市场扩展。其影响逐渐SDN化,将控制平面和传送平面解耦,其影响逐渐NFV化,将硬件和软件功能解耦。具体到ROADM,解耦以Open ROADM的概念呈现。

目前,ROADM架构是基于厂商私有软件控制的封闭系统,由厂商私有软件来规划、管理和维护。客户每次选定了某个厂商的新的ROADM平台,就意味着需对厂商私有的硬件和软件进行测试,然后将其整合到网络中,整合周期很长,大大降低了竞争和创新速度。Open ROADM项目的目标就是通过开放和解耦,引入更多的竞争和更快的创新,结合硬件的弹性和软件控制,来解决当前传统ROADM系统的不足。

Open ROADM用解耦的方式,将ROADM根据功能模块进行拆解,而不同的功能模块可以有不同的厂商来提供,各厂商提供的不同功能模块提供开放接口,可以由SDN控制器/编排器来统一调度。其功能架构如图7所示。

 

图7 Open ROADM的解耦架构

Open ROADM的核心概念和价值,首先是开放的硬件,支持NetConf/YANG API、Open ROADM多源协议(MSA),将网络和功能解耦,实现多厂商互通;其次是软件控制,通过SDN控制器的智能,实现带宽的自动检测和调整、故障的侦测和自动恢复,以及对光性能的感知,实时准确地优化网络性能。

Open ROADM的技术规格主要由OPEN ROADM MSA来定义,目前聚焦在metro部分,定义了ROADM交换,波长转换器和可插拔光器件的规格,包括光层互操作性和数据模型。不过从应用的角度,Open ROADM MSA正在研究对更长传送距离(1 000 km)和弹性栅格的支持,以满足更多的应用场景。

4  总结

随着新业务需求的快速发展,尤其视频业务的高速增长,加上5G、IOT和OTT等新应用对带宽的高消耗,传送网需求呈现大颗粒、大容量、低时延等特点。受限于体积和功耗要求,电交叉容量无法无限制增长,而点对点DWDM方案又缺乏管理和调度的弹性,而能耗和空间越来越成为工程建设的瓶颈。ROADM架构经过二维ROADM、多维ROADM到集成了穿通层、上下路及栅格可重构的PXC系统的演进,已经成为非常适合传送网的网络架构。WSS器件的集成度的提升以及相干技术的应用让ROADM架构变得更加简单高效,成本大幅降低,也为ROADM部署提供了有利条件。

另外,ROADM技术仍在不断地发展和完善,比如器件的功能和性能的提升、光性能感知技术以及Open ROADM的发展,会让ROADM架构变得更加高效、智能和开放,提升了竞争和创新速度,让产业快速发展。

参考文献:

[1]    陈城. 基于WSS的可变带宽ROADM研究[J]. 信息技术,2016(10):138-140.

[2]    叶胤,袁海涛,江树臻. ROADM和OTN技术在干线传输网络的应用研究[J]. 电信技术,2016(11):34-38.

[3]    何军委,王可为,陈秀锦. 基于ROADM技术的省干传送网组网策略研究[J]. 电信技术,2017(7):27-29.

[4]    曹仰忠. ROADM技术在本地传送网中应用探讨[J]. 信息通信,2017(6):231-232.

[5]    时明,成亮,程志良. ROADM技术在本地多核心系统中的应用研究[J]. 邮电设计技术,2017(11):46-50.

[6]    王东鹏. 下一代ROADM节点结构及其光网络性能的优化设计研究[D]. 南京:东南大学,2016.

 

1作者:吕洪涛 肖家宾 臧志宏 来源:《邮电设计技术》2018年4月 编辑:顾北

 

声明:①凡本网注明“来源:通信界”的内容,版权均属于通信界,未经允许禁止转载、摘编,违者必究。经授权可转载,须保持转载文章、图像、音视频的完整性,并完整标注作者信息并注明“来源:通信界”。②凡本网注明“来源:XXX(非通信界)”的内容,均转载自其它媒体,转载目的在于传递更多行业信息,仅代表作者本人观点,与本网无关。本网对文中陈述、观点判断保持中立,不对所包含内容的准确性、可靠性或完整性提供任何明示或暗示的保证。请读者仅作参考,并请自行承担全部责任。③如因内容涉及版权和其它问题,请自发布之日起30日内与本网联系,我们将在第一时间删除内容。 
热点动态
普通新闻 中信科智联亮相2023中国移动全球合作伙伴大会
普通新闻 全球首个基于Data Channel的新通话商用网络呼叫成功拨通
普通新闻 中国联通:以优质通信服务 助力“一带一路”共建繁华
普通新闻 杨杰:未来五年,智算规模复合增长率将超过50%
普通新闻 长沙电信大楼火灾调查报告发布:系未熄灭烟头引燃,20余人被问责
普通新闻 邬贺铨:生态短板掣肘5G潜能发挥,AI有望成“破局之剑”
普通新闻 工信部:加大对民营企业参与移动通信转售等业务和服务创新的支持力
普通新闻 摩尔线程亮相2023中国移动全球合作伙伴大会,全功能GPU加速云电脑体
普通新闻 看齐微软!谷歌表示将保护用户免受人工智能版权诉讼
普通新闻 联想王传东:AI能力已成为推动产业升级和生产力跃迁的利刃
普通新闻 APUS李涛:中国的AI应用 只能生长在中国的大模型之上
普通新闻 外媒:在电池竞赛中,中国如何将世界远远甩在后面
普通新闻 三星电子预计其盈利能力将再次下降
普通新闻 报告称华为5G专利全球第1 苹果排名第12
普通新闻 党中央、国务院批准,工信部职责、机构、编制调整
普通新闻 荣耀Magic Vs2系列正式发布,刷新横向大内折手机轻薄纪录
普通新闻 GSMA首席技术官:全球连接数超15亿,5G推动全行业数字化转型
普通新闻 北京联通完成全球首个F5G-A“单纤百T”现网验证,助力北京迈向万兆
普通新闻 中科曙光亮相2023中国移动全球合作伙伴大会
普通新闻 最高补贴500万元!哈尔滨市制定工业互联网专项资金使用细则
通信视界
邬贺铨:移动通信开启5G-A新周期,云网融合/算
普通对话 中兴通讯徐子阳:强基慧智,共建数智热带雨
普通对话 邬贺铨:移动通信开启5G-A新周期,云网融合
普通对话 华为轮值董事长胡厚崑:我们正努力将5G-A带
普通对话 高通中国区董事长孟樸:5G与AI结合,助力提
普通对话 雷军发布小米年度演讲:坚持做高端,拥抱大
普通对话 闻库:算网融合正值挑战与机遇并存的关键阶
普通对话 工信部副部长张云明:我国算力总规模已居世
普通对话 邬贺铨:我国互联网平台企业发展的新一轮机
普通对话 张志成:继续加强海外知识产权保护工作 为助
普通对话 吴春波:华为如何突破美国6次打压的逆境?
通信前瞻
亨通光电实践数字化工厂,“5G+光纤”助力新一
普通对话 亨通光电实践数字化工厂,“5G+光纤”助力新
普通对话 中科院钱德沛:计算与网络基础设施的全面部
普通对话 工信部赵志国:我国算力总规模居全球第二 保
普通对话 邬贺铨院士解读ChatGPT等数字技术热点
普通对话 我国北方海区运用北斗三号短报文通信服务开
普通对话 华为云Stack智能进化,三大举措赋能政企深度
普通对话 孟晚舟:“三大聚力”迎接数字化、智能化、
普通对话 物联网设备在智能工作场所技术中的作用
普通对话 软银研发出以无人机探测灾害被埋者手机信号
普通对话 AI材料可自我学习并形成“肌肉记忆”
普通对话 北斗三号卫星低能离子能谱仪载荷研制成功
普通对话 为什么Wi-Fi6将成为未来物联网的关键?
普通对话 马斯克出现在推特总部 收购应该没有悬念了
普通对话 台积电澄清:未强迫员工休假或有任何无薪假
普通对话 新一代载人运载火箭发动机研制获重大突破
推荐阅读
Copyright @ Cntxj.Net All Right Reserved 通信界 版权所有
未经书面许可,禁止转载、摘编、复制、镜像