摘要:本文介绍了基于PCI总线的DSP数字信号处理板的硬件结构,并具体的讨论了它在设计中的应用方法。
关键词:PCI总线,DSP, PCI9054。
引言
以INTEL公司为主推出的PCI总线规范。采用PCI总线设备所具有的配置空间以及PCI总线通过桥接电路与CPU相连的技术使PCI总线具有广泛的适应性,同时能满足高速设备的要求。
另一方面,DSP的发展也异常迅速。ADI公司于2001年发布了其高性能TigerSHARC系列DSP的新成员,采用这样系列的芯片,可研制出处理能力更强,体积更小,开发成本更低,性价比更高的信号处理机。并广泛地应用于信号处理、通信、语音、图像和军事等各个领域。
TS101S介绍
本系统采用美国ADI公司的高性能TigerSHARC 101S作为主处理器,简称TS101S。ADSP TS101S处理支持32bit和64bit浮点,以及8、16、32和64bit定点处理。它的静态超量结构使DSP每周期能执行多达4条指令,进行24个16bit定点运算和6个浮点运算。其内部有三条相互独立的128bit宽度和内部数据总线,每条连接三个2Mbit内部存储块中的一个,提供4字的数据、指令及I/O访问和14.4Gbyte/S的内部存储带宽。以300MHZ时钟运行时,其内核指令周期为3.3ns。在发挥其单指令多数据特点后,ADSP TS101S可以提供每秒24亿次40bitMAC运算或6亿次80bitMAC运算。以300MHz时钟运行时,完成1024点复数FFT(基2)时间仅32.78us。1024点输入50抽头FIR需91.67us。
ADSP TS101S有强大的链路口传输功能,每个链路口传输速度已达到250Mbyte/S。总的链路数据率达1Gbyte/S(4个链路口),已经超过了外部口的传输速率(800Mbyte/S)。
信号处理机的硬件结构
系统结构主要包括A/D转换、数据存储、逻辑控制,时钟分配和数据传输五大模块。以DSP为核心处理单元的信号处理机是以PCI插卡的形式直接插入计算机的PCI总线插槽中。信号处理机通过PCI接口芯片与PCI总线连接,其功能是实现PC机与信号处理机之间数据传输和存储。其系统结构图如图1:

图1系统结构图
其中A/D转换器采用AD公司16位高精度A/D芯片AD976ARS,它是采用电荷重分布技术的逐次逼近型模数转换器,器结构比传统逼近型ADC简单,且不再需要完整的模数转换器作为核心。AD976ARS具有以下特点:
*它是16位的高精度A/D,可以做到16位不失码。
*带有高速并行接口。
*转换速度为200ksps。
*可选内部或外部的2.5V参考电源。
*带有片上时钟。
可直接接运放AD8033输出,其中AD8033是低功耗、高精度的运放,这里接成跟随器模式。转换时钟由CPLD给出(R/C)信号,CPLD转接DSP1的TMR0E,并倒相后形成R/C信号,这样,数据采集的周期由DSP的定时器控制,可以实现周期可调的。又将AD976AARS的BUSY信号引入到CPLD,用于锁存A/D转换数据。运放与A/D的电路结构如图2:

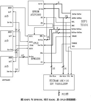
系统采用1片CPLD(EMP3256)作A/D转换输入数据锁存、产生DSP所需的复位信号等。同时,CPLD还要完成PCI桥的一些控制信号的生成、转接。实际上也就是作为PCI局部总线的仲裁器,它对PCI接口芯片和DSP提出的占用局部总线的请求进行仲裁,协调它们之间的逻辑关系,使局部总线上的操作顺利进行。系统还采用了两片16K×16位的双口RAM IDT70V261来构成DSP信号处理机与PCI的接口,其中RAM1作数据输入,RAM2作数据输出。
PCI桥采用PCI 9054完成,PCI 9054是PLX Technology公司的较新产品,是一低成本,低功耗,功能较强的PCI桥芯片,可以连接PC机的PCI总线和局部总线,是先进的PCI I/O加速器,采用了先进的PLX数据流水线结构技术,是32位、33MHz的PCI总线主I/O加速器;符合PCI本地总线规范2.2版,有M、C、J三种模式;针对不同的处理器及局总线特性可选,尽量减少中间逻辑;具有可选的串行E2PROM接口,本地总线时钟可和PCI时钟异步。PC9054内部有6种可编程的FIFO,以实现零等待突发传输及本地总线和PCI总线之间的异步操作;支持主模式、从模式、DMA传输方式,因其强大的功能可应用于适配卡和嵌入式系统中。但由于DSP没有提供直接与PCI 9054接口的引脚,故采用双口RAM作数据缓冲,其优点是不必改造PCI产生信号以适应DSP的要求。时序配置上较为容易。同时,分开设置的输出输入通道,也方便了用户的应用。
DSP1与EPROM, 双口RAM,及CPLD连接如图3:

双口RAM采用IDT70261,它是由美国IDT公司生产的高速16kX16带有中断的双端口SRAM。它采用100—pmTQFP封装,典型功耗为750mW,最大存取时间有两个等级:商业级有15/20/25/35/55ns(max),工业级有20/25/35/55ns(max)。它具有如下特点:
(1)有两套完全独立的控制线,地址线和I/O线,允许两个独立的系统同时对双端口存储器进行访问。
(2)具有完全独立的忙逻辑,可以保证两个系统对同一单元进行读写操作的正确性。
(3)中断逻辑允许CPU通过端口直接进行通信,标识器逻辑允许两个控制器共享资源。
(4)允许数据高速存取,最快存取时间为15ns,可与大多数高速处理器配合使用,无需 插入等待状态。
(5)具有Master/Slaver控制脚,在存储容量和数据位宽上能方便地扩展。
(6)各端口完全异步操作。
双口RAM作DSP3 (TS 101S)输出暂存,故与DSP3的WRL相连。DSP3与双口RAM的连接如图4:
本系统采用DSP片之间以链路口互连方式,每对DSP间保留2个链路通道,总数据速率可达500Mbyte/S。采用链路口互连可以大大简化PCB板的复杂度。链路口互连是ADSP系列芯片的特有功能,也是ADSP处理器能以低成本组成多片高性能信号处理机的主要因素。DSP间的连接如图5:

结束语
本系统用于从外部采集信号,经数字信号处理机上的DSP芯片做信号处理,然后实现与PC机实时传输及数据存储,因此可对信号处理结果进行实时更新,从而实现数字信号处理机与相应设备间的高速数据传输。本系统还可应用于高速数据采集卡、视频处理卡、网卡等高速设备中。其中TigerSHARC系列芯片以其强大的运算能力从而大大的降低了开发成本,同时信号处理机的研制周期也可大为缩短,更容易的研制出性价比更高的信号处理机。而PCI 9054 以其强大的功能和简单的用户接口,为PCI总线接口的开发提供了一种简洁的方法,本系统经过测试,高速数据能够正确采集和传输。在高速数据传输系统中,利用PCI总线的高速特性实时传输和存储采集数据,有效解决了数据的传输和处理的实时性,随着PCI总线的普及应用,基于PCI总线的传输系统设计有十分广阔的前景。