黄志刚 龚振华 陶龙泉 江苏利港电力有限公司
摘 要:根据设备的控制方式,分析了采用光纤传输装置的优越性。详细介绍了启动变保护的配置,并说明了控制原理,实践证明当初的设计构想能满足运行要求。
关键词:光纤;远程;传输;保护;启动变;分合闸
1、设备概况
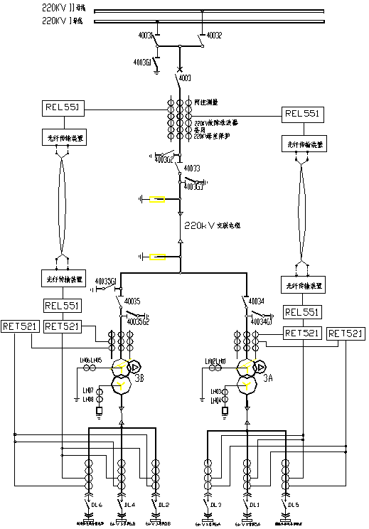
一般新扩建机组的控制室与老厂网控室距离都较远,在利港电厂新扩建的2台600MW机组的集控室离220KV网控室有500米,其系统组成如图1所示。启动变经220KV交联电缆及相应断路器及刀闸连接,以提供新建机组的启动
电源。
2、设计构想
2.1控制方式:刀闸40031、40032、4003G1、40033、4003 G2、4003G3在220kV网控NCS中控制, 断路器4003及启动变就地的刀闸由机组的DCS控制,两控制室之间的控制电缆有500米。
因此断路器断及刀闸的状态信号应分别进入DCS和NCS中并进行相关设备的分合闸操作。
2.2计算:
根据二次回路电缆芯线导线截面的选择原则:在操作回路中,应在正常最大负荷下,至各设备的电压降不得超过其额定电压的10%
[1][2]。按以下公式计算导线截面
[3]:
其中S为导线截面(平方), 为流过合闸或脱扣线圈的最大电流,A;L为电缆长度,m; Ue为直流额定电压,⊿U为合闸或脱扣线圈正常工作时允许的电压损失,取10%;γ为电导系数,铜取57mm/Ω·mm2。每根导线截面至少要取4mm2才能满足要求。
为满足NCS及DCS控制要求,需敷设控制电缆传递近80个信号。根据二次线相关规定,芯线截面4 mm2及以上时,电缆芯数不宜超过10芯,因此实现控制要求,至少需敷设10根500米8×4的控制电缆,从经济性方面看显然是不合适的。
因此,在启动变保护招标时就考虑了利用光纤远程传输相应的状态
信息及远方分合闸。
3、保护配置[4][5]
详见图1 所示。

[图1]
3.1 220kV电缆配置双套(4只)光纤纵差保护REL551,带过流保护,实现双重化。配置2根独立光纤,且每根光纤有备用芯。
3.2单台启动变压器上配置2套差动保护RET521,实现双重化,共配置4套差动保护,并在每套差动保护RET521中实现下述保护:启动变高压侧过流保护、启动变高压侧零序电流保护、各启动变低压侧零序电流保护和过负荷调压闭锁。
3.3保护安装:
3.3.1 220kV网控设一面电缆保护屏(+RD2),放置如下装置:2只光纤差动;220kV断路器失灵起动回路;220kV断路器非全相保护;断路器操作回路监视;其它开关量输入及输出回路;
3.3.2启动变的其它保护放置在集控室,分A、B、C三个屏,电气保护由A(+RC2A)、B屏(+RC2B)实现,A、B屏构成双重化,C屏(+RC2C)为非电量保护屏。

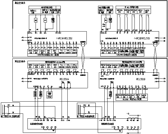
[图2 光缆连接示意图]
4、光纤传输及控制
4.1光纤传输
启动变保护A柜(+RC2A)至220kV网控的电缆保护屏(+RD2)设2根光缆。一根为单模4芯光缆,专用于REL551之间;另一根为多模10芯光缆,用于传输NCS、DCS控制所需的信号。
启动变保护B柜(+RC2B)至220kV网控的电缆保护屏(+RD2)同样设2根光缆。一根为单模4芯光缆,另一根为多模4芯光缆,用途同上。
光缆连接图见图2,传输的信号详见图3。在传输信号时应考虑均匀分配到两根光缆中,且将合闸和跳1线圈的信号与跳2线圈的信号分开。
光纤传输装置,其从输入到输出的转换的典型时间为8ms,对于在2km左右的光纤,信号传输延迟0.01ms,因此完全满足跳闸要求。同时光纤传输装置具备通道监视及装置故障告警功能。
4.2控制原理[2,6]
详见图3。

4.2.1 DCS控制
DCS控制对象包括4003断路器、及启动变就地的刀闸40034、40034G1、40035、40035G1、4003
5G2。因此依靠光传输装置将断路器本体的状态
信息(如SF6气体压力低报警、合闸弹簧已储能、电机回路断
电信号)及母线刀闸40031、40032、40033、4003G1、4003G2和4003G3的位置信号,远传到集控室的启动变保护柜的,并送到DCS中,完成相应控制、闭锁及状态监视要求。
4.2.2 NCS控制
NCS控制对象包括刀闸40031、40032、40033、4003G1、4003G2和4003G3,为完成对刀闸40034、40034G1、40035、40035G1、4003
5G2的状态监视,利用光传输装置将以上
信息远传到NCS中,同时将启动变保护动作信号送到NCS中并远传到省调。
4. 3其它说明
4. 3.1 220kV电缆故障,两侧的光纤差动保护同时动作,网控室的REL551跳220kV侧断路器,单控室的REL551跳6kV侧的6个分支断路器。
4.3.2 启动变保护A屏中的RET521(3A)和RET521(3B)的220kV跳闸信号并接后,送至本屏的REL551,通过光纤远传至对侧跳开220kV断路器并起动失灵。启动变保护B屏同A屏。
4.3.3 220kV断路器失灵保护收到跳闸信号后瞬时重跳本开关,如果故障仍存在,REL551判别失灵后,可分别经150ms和200~300ms延时将跳闸信号送至老厂母差保护屏。
5、结论
在启动变保护配置中,为了实现远方控制,有效结合光纤纵差保护,利用光纤传输了NCS和DCS完成相应控制的状态信号,一方面大大节约了电缆敷设的成本,另一方面有效提高了控制的可靠性。实践验证是合理和成功的。
参考文献:
[1]GB 50062-1992电力装置的继电保护和自动装置设计规范.
[2]DL/T 5136-2001 火力发电厂、变电所二次接线设计技术规程.
[3]杨秀昌. 实用电气安装技术大全. 中国建材工业出版社, 1998年.
[4]国电调[2002]138号国家电力公司文件《“防止电力生产重大事故的二十五项重点要求”继电保护实施细则》
[5]国电发[2000]589号国家电力公司文件《防止电力生产重大事故的二十五项重点要求》
[6] DL/T 688-1999 电力系统远方跳闸信号传输装置