1丁迪、2陈书欣、2周科邦 1北京平谷供电局 2温州市科星电子有限公司
摘 要:直流系统是不接地系统,本文介绍直流接地的产生、接地的排除法、检测装置的原理、分析直流接地的危害性、探讨直流接地的查找方法,希望为尽快安全排除直流系统接地故障提供帮助。
关键词:直流系统接地 多点接地 故障排除
发电厂、变电站的直流系统是由蓄电池组与浮充电装置并联供给直流负荷的运行系统,主要是为控制回路、信号回路、继电保护自动装置、断路器分合操作等提供可靠稳定的不间断电源。由于分支网络多、所接设备多等因素构成了庞大而复杂的直流电源网络,分为主母线、小母线、层层分布,回路复杂、单线交错、双线交错,客观上增加了查找直流接地故障的难度。
正常情况下正负对地均为绝缘的,系统中有一点发生接地时,一般情况下并不影响直流系统运行,但当出现两点及两点以上接地时,就会造成正负极短路,开关和保护回路误动、拒动现象。同时直流系统的故障可能会造成更大故障隐患。所以当发生接地时采用良好的仪器和准确的判定方法是十分重要的。
一、直流系统接地的产生
1、 何为直流系统接地
当直流系统的正极或负极与大地之间的绝缘水平降到某一整定值或低于某一规定值时,统称为直流系统接地;当正极绝缘水平低于某一规定值时称为正接地;当负极绝缘水平低于某一规定值时称为负接地。
2、 为什么会造成直流系统接地
直流系统是个不间断工作长期带电的系统,支路很多,负荷涉及面广,会由于环境改变、气候变化、污染、高温等引起电缆老化、接线端子老化,元件损坏以及设备本身等问题引起绝缘水平下降。一般来说,投运时间越长,其接地的概率越高,特别是发电厂比变电站接地更频繁。
3、 直流系统接地会造成哪些危害
a) 接地的种类
从现实直流系统接地的构成上归纳起来有以下几种:按接地极性分为正接地和负接地;按接地类型上分为直接接地;有的称为金属性接地(也称完全接地)和间接接地,有的称非金属性接地(也称非完全接地、),有的人还称为半接地。此外还有按接地情况可分为单点接地、多点接地、环路接地、绝缘降低和交流半接地等。由于各地的直接接地情况不一样,所以产生了许多新名字,大体上是这几种名字。
b) 正接地的危害
由于断路器跳闸线圈均接负极
电源,当发生系统正极接地时,正极经过大地,构成回路。如图1所示,当图中的A点和B点同时接地,相当于A、B两点通过大地相连接起来,中间继电器2J1动作生成断路器的跳闸。同理,当图中的A点和C点同时接地,和图中的A点、D点同时接地均可能生成断路器的跳闸。

图1
c) 负极接地的危害
负极接地可能造成断路器的拒绝动作,如图1所示,当图中的B点,正点同时接地,B、E点通过地构成了回路,即B、E点相接将中间继电器2J1短接,此时,如果系统发生事故,保护动作由于中间继电器2J1被短接,2J1不工作,断路器不会动作,产生拒动现象,使事故越级扩大。同理,当图中的E点和C点同时接地和图中的E点和D点同时接地均可能生成断路器拒动现象。
二、如何查找接地点,排除故障危害
我们从以上的直流接地危害中,可以看出无论是正极接地还是负极接地,只要有一个接地,即对地构成了新的接地回路就要求迅速排除,否则一旦出现二点或多点接地就会发生故障,乃至发生事故。从目前现场实际中的情况和经验所得,大致有以下几种方法。
2.1拉路法
直流接地回路一旦从直流系统中脱离运行,直流母线的正负极对地电压就会出现平衡。所以人们通常从直流接地回路瞬间停电,确定直流接地点是否发生在该回路,这就是所谓的“拉路法”。直流系统是个不间断电源,基于它的特殊性,人们不能随意停电。近年来随计算机的大量使用,微机保护同样也不允许人们随意断开直流电源。现场排除故障中,经常发生非正常的闭环回路,采用双
电源供电回路,以及
变电站在现场施工、扩建、修试过程中遗留了直流负载的信号回路、控制回路和保护回路之间没有区分等等,使直流接地故障查找难度更加困难。“拉路法”往往造成了控制回路或保护回路跳闸等事故。
2.2 “拉路法”查找的安全步骤
2.2.1自动接地巡检仪查找回路
目前
市场上出现了众多厂家的直流接地选线装置。一般以“信号注入法”、“霍尔传感器监测法”、“磁饱和监测法”三种原理设计生产的,大致情况是在直流的各分支回路上安装一个穿心式的电流互感器,各互感器感应到的信号经过直流接地选线装置分析判断,确定直流接地的分支回路,其安装在支路回路上的传感器编号和接地检测仪显示部分回路对应编号。其优点是能在线监测实时监测各分支回路的接地状态,查巡接地回路时,如 “全自动的逐路测试法”,如果仪器测量是准确性很高的话,是一种不可能缺少的
自动化设备。但由于其测量精度不高、误报率较多、抗干扰能力差,各现场情况不一致等问题,在使用上出现了一些问题。
2.2.2便携式仪器查找定位方法
使用便携式的直流接地故障查找仪,查找直流接地不失为一种好方法,作为拉回路法的辅助测试仪,对接地故障的排除在时间上和安全上都是好帮手。其特点如人为拉路法,不需断开直流回路
电源,
移动式的采集互感器在各分布回路上测量。如果出现接地回路就报警。
这种设备在使用上是十分科学的。在原理上基本和在线装置的信号注入法原理相似。由于其采集传感器可以任意移动,利用其
移动的优点还可以更具体地查找到各接地点。但由于目前产品和各直流系统的兼容性和抗干扰能力差的因素,误报率十分高,并没有大量采用和全面推广,仅为查找时作为参考使用。
三、直流接地检测装置
1装置的构成
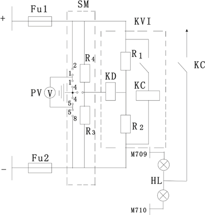
直流系统只能有一个接地点,即绝缘监察继电器的接地点。绝缘监察继电器是利用平衡电桥原理,当直流系统的正极或负极对地绝缘阻抗降低到某一规定值或设定值,即使正对地电压或负对地电压差使电桥失去了平衡,发生了变化就可判定绝缘。它是由信号回路和监察回路(直流绝缘监察继电器KVI,转移开关SM和电压表PV)组成。如图2所示。按其功能又可分为信号部分和测量部分。
A.信号部分
图2所示的右部为绝缘监察装置的信号部分,由绝缘监察继电器KVI及信号(音响和光字牌HL)组成,R+、R-分别为假设的正、负母线对地绝缘电阻,用虚线相连接。R1、R2及R+、R-组成电桥接线。KVI中的R1、R2的数值要求相等(通常选R1=R2=1000Ω),KD为高灵敏度的干簧管继电器,KC为中间继电器。正常情况下,正、负母线对地绝缘电阻R+、R-相等,继电器KD线圈中只有微小的不平衡电流流过,继电器不动作。当有一母线对地绝缘下降时,由于R+≠R-,所以电桥失去平衡,继电器KD线圈中只有微小的不平衡电流流过,当次电流达到其动作值时,继电器KVI动作:KD启动,其动合触点闭合启动KC继电器,KC的动合触点闭合,发出“母线对地绝缘电阻下降”的信号(但不能分清是正母线还是负母线电阻下降)。
B.测量部分
在图2的左半部画出了由转换开关SM和电压表PV组成的测量部分。当有母线对地绝缘降低时,信号部分先发出“母线绝缘降低”的音响和光字牌信号,值班人员将SM开关依次打至“+母线对地电压”和“-母线对地电压”,则SM的2-1、4-5接通和5-8、1-4接通,分别测出+母线对地的电压值和-母线对地的电压值,电压值低者即绝缘有损坏。然后根据已知的电压表内阻RV及直流母线工作电压U,用计算的方法求成正、负极母线的对地绝缘电阻。
C.对继电器KD的要求
在下图2中有一个人工接地点,是为测量母线对地电压用的,当直流回路中再有任一个短路接地点时,将会形成短路回路。为防止在直流回路中由此短路电流引起其他继电器发生误动作,则继电器KD的线圈必须具有足够大的电阻值,一般对220V直流系统选用RKD=30kΩ的线圈,其启动电流为1.4mA。于是,为防止继电器发生误动作,回路中的其他继电器线圈的启动电流都应大于1.4mA。所以,在220V直流系统中,当任一母线的绝缘电阻下降至15~20kΩ时,绝缘监察继电器便会立即发出信号。

图2
四、人工故障排除方法
变电站的直流接地虽然是复杂的,无论是常规保护还是微机保护,其故障的排除法是一致的。采用拉路寻找分段处理的方法,以先信号和照明部分,后操作部分;先室外部分后室内的原则。根据现场的故障排除经验,笔者对其方法进行整理如下:
1. 首先确定是正极接地还是负极接地,测量正负极对地电压,有效区分是正极接地还是负极接地。
2. 两段母线之间的区分,使查找的接地不会大范围扩大,确定发生直流接地在哪一段。
3. 如果有直流接地选线的装置,不能准确确定,有误报的现象,请退出运行中的直流接地检测仪。
4. 如果站内二次回路有在施工的或有检修试验的应立即停止,拉开其工作
电源,看信号是否消除。
5. 采用分段分部位拉路法,操作
电源一定要由蓄电池供电,先停下重要的回路,如信号回路和照明回路等。
应按照下列顺序进行
② 断合故障照明回路
③ 断合信号回路
④ 断合闸回路
⑤ 断合附助设备
⑥ 断合蓄电池回路
五、目前国内监测仪器测量状态
直流监测装置都是采用电桥原理,无论是常规的电桥还是微机型的电桥,都是以对地电压为依据,监测装置往往以系统正负极对地绝缘阻抗到规定值或某一设定值确定为直流系统发生了接地。各个厂站都是各自按对地电压差(为不平衡状态)来设定,平衡电桥的回路选用电阻,目前无一流标准。国家DC/T724-2000标准中确定220V系统为25K,110V系统为7K,仅说明直流接地在等于某一数值时一定要进行故障排除。由于各直流屏生产厂家(监测装置厂家)均有不同的电桥取值,并没有相关的规定,从实际的各厂家情况看,平衡电桥电阻取值为1-40K不等,这样也正说明了以电压的变化来说明接地故障的程度是不十分准确。其实在国外的一些厂站主要是110V直流
电源其接地阻抗是设定为50KΩ。目前我国大亚湾核电站就是引进国外的设备,其直流绝缘告警值还是以50KΩ为依据,实际上其电桥内阻为400K。事实上我国运行的直流系统接地报警都是设在25K以下(参考电力标准),其电桥值仅为1-40K之间。变电站的直流接地故障概率似乎不高的真正原因,无法准确体现实际的绝缘情况。一些运行几十年的变电站和电厂,一年也难得有接地报警,即使出现了接地故障误动事故,也无法查证说明其真正原因和机理。
六、结论
为了防止直流系统网络其他任何一点发生接地时而引起继电器的误动,减少不必要的故障,要求绝缘监测继电器的线圈具有足够大的电阻值,最好是采用光电原理或高阻(500KΩ以上)使直流系统的正式负极对地之间没有一个真正的接地点,假如直流系统一旦发生一点接地,只有一个接地点,监测装置就能及时发现也不会发生误动和拒动事故,同时两段监测上的绝缘继电器并列运行也不会造成任何事故,以适应电力系统和安全稳定。笔者认为开发一种高阻抗的直流接地监测装置是能大大提高直流系统安全运行,也是一件十分有益的事情。
作者简介
丁迪,男(1982年出生)助工,现从事于电力行业变电运行管理工作。
陈书欣,男(1973年出生)工程师,现从事于电力测量设备的开发和研究工作。