陈远鹏 重庆电力设计院
摘 要:变电站二次设备布置的合理与否,直接影响到二次接线的流程,二次设备的运行环境和运行管理。合理的布置可减少接线迂回往复,减少电缆交叉重叠,降低电缆及材料的用量,改善运行环境和便于运行管理。因此在工程设计中,应尽量使变电站二次设备优化布置。
关键词:变电站 二次设备 优化布置 接线
1、前言
变电站二次设备包括对一次设备进行控制、测量、保护以及对一、二次设备的正常、异常或事故等工况提供信号显示或报警的设备。二次设备一般是由独立的功能件或具有较强的完整功能的装置按预定的逻辑组装成功能屏柜。另外,二次设备还包括与一次设备构成一体的反映其工况、状态、量值,并可对其控制、操作的辅助设备。如电流互感器(TA)、电压互感器(TV)的二次绕组以及断路器、隔离开关的操作机构等等。以上这些设备安装在不同的位置,再按有关逻辑要求进行互联,就能完成特定的功能,保障一次设备的正常和可靠运行,减小电气设备故障损害。尽管不同的二次设备布置方式在相同的逻辑下其功能原则上相同,但其布置是否合理对工程的造价、运行管理影响较大。
2、二次设备布置的原则
2.1 二次设备的电气屏柜一般布置在主控制室内。需要由人经常监视、操作的屏柜,如控制屏、直流
电源屏等最好都布置在主环上(第一排)。
2.2 控制屏原则上按电压等级分别排列在一起,要做到模拟母线清晰连贯。
2.3 其它保护屏、自动装置屏原则上按电压等级分别排列在主环后布置,但应保证小母线的布置连贯。
2.4 当后期工程有较多的预留屏位时,应考虑后期扩建时不至造成施工及运行困难。
2.5 与一次设备构成一体的二次设备,一般都是由一次设计人员根据方案的优劣来布置一次设备,也就确定了该二次设备的布置。在不影响一次设备的功能和运行的情况下,一、二次设计人员应相互协调确定一次设备的布置,以期达到对一次设备的保护范围最大,或减少二次回路的负载及压降,使二次回路接线无迂回往复,连线最短最清晰的目的。例如10kV母线TV布置在该母线段的中间,由左右两路干线分别向两边出线柜的计量设备供电,将会使二次计量电压的压降减小。
3、二次设备的习惯布置
二次设备的习惯布置也就是二次设计人员对主控制室屏柜的安装布置习惯。
3.1 变电站主控制室习惯的屏柜布置。控制屏(或五防装置控制屏或单元式的测控屏)布置在主环正面,中央信号控制屏和主变压器控制屏布置在主环正中,主环的两侧布置两种电压或三种电压等级的控制屏。左侧布置高,中电压等级,右侧布置(中)低电压等级。如为常规型控制屏,一定要注意模拟母线的清晰和连贯。规模较小的变电站出线间隔不太多时,主环正面除布置控制屏(或五防装置屏)外,两侧还有富裕屏位,如不作设备布置,也影响美观;在作设备布置时,应考虑所布置的屏柜本身有功能整体性,具有单独的小母线布置,如电能表和电能量采集装置屏,同时应考虑与控制屏有相同或很相近的颜色和结构。
保护和其它装置屏布置在主环的后部,保护屏应按电压等级排列,与电压等级有关的共用屏(如录波器屏,母线保护屏、集中式低周低压减载屏),应视具体情况可与本电压等级的保护屏布置在同一排上,也可布置在另外的“排”上。总的要求是各电压等级的保护和本电压等级的其它装置屏应排在一起或相近的屏位上,屏顶小母线连贯,少经过或不经过电缆转接,同时应考虑扩建屏位留在两侧,以方便扩建时施工。
3.2 控制屏和保护屏的屏面习惯布置
微机型的测控装置屏和保护屏厂家一般有成熟的布置。对于常规型控制屏,正面上部为测量表计,中上部为光字牌,以便于人员监视,中靠下为指示灯、控制开关,便于人员操作。应注意的是,相同电压等级安装单位的屏面布置应一致;测量表计、控制开关应与模拟母线相对应。最高一排仪表和最低一排光字牌应取齐;最低的操作设备离地不低于600毫米。
继电器屏面布置要满足调试方便和运行安全可靠,调试工作较小的继电器布置在屏上部,如电压、电流、中间继电器等。调试工作量较大较复杂的继电器,如阻抗、方向、差动、重合闸等布置在中部。信号继电器、连接片、试验端子等布置在屏的下部。屏上设备装设高度横向应整齐一致。需特别注意的是,若在同一屏上有两个或以上的安装单位时,应按纵向划分,并用明显的线条区别。
4、二次设备布置对接线的影响
4.1 主控制室二次屏柜布置对接线的影响。现以一个简单例子说明,如图1。

(图1 主控室二次电屏布置简图)
第(一)排(主环)布置控制屏(或监控屏),第(二)排布置保护屏,第(三)排布置母差或集中式低周减载装置等屏。因为控制屏和母差(低周减载或备用
电源自投等)屏的分、合闸出口均与保护屏有联系,必须经保护屏上的操作回路才能对断路器进行操作。如将保护屏与母差(低周减载等)屏排列对调,①电缆明显增长,同时①②电缆造成交叉,当出线间隔很多时,其影响是比较大的。在布置屏位允许的情况下,可以将母差(低周)屏与同电压等级的保护屏布置在同一排上,既节省电缆,小母线也容易连贯。此外,在实际布置时还应根据本站各电压等级回路数(保护屏及其它装置屏)的多少、主控制室的形状、大小,屏位布置排列等酌情考虑。
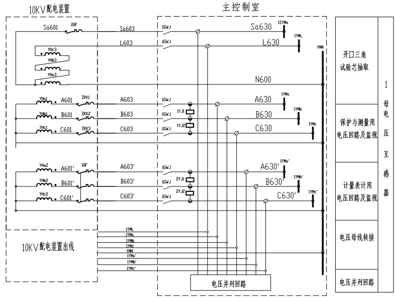
4.2 母线TV二次回路布置对接线的影响。见图2。
(图2 母线PT的二次接线)
母线TV二次回路的切换及反送电闭锁现在一般采用厂家定型装置完成,该装置安装于控制室内,其闭锁接点GWJ与TV输出的连接回路较长,笔者认为其闭锁功能没有用当地的刀闸辅助接点好,因为电压切换装置屏上端子排多,接线繁杂,易造成混淆而引入电压窜至TV二次侧,反送电到一次侧而引起事故。
对于10kV等有柜体的出线回路,往往把保护装置和计量表计装在当地断路器柜上,以减少占地和节省投资。如果用前述的TV接线,还要将电压小母线从控制室连接到开关柜顶上,其可靠性和电压降没有直接从TV柜引上柜顶小母线好。笔者认为,对于配电装置(断路器柜)当地有保护装置和计量表计的电压等级,其TV的闭锁应取就地的刀闸接点,以使二次回路清晰、简单,增加可靠性和减少二次电压降。
4.3 交流操作的电流保护接线,见图3。

(图3 交流操作的电流保护接线)
图3中的电流保护有1和2两种接线方案,虽然其完成的保护功能完全相同,但不同的接线方案对回路是有一定影响的。电流继电器(1LJ和2LJ)与脱扣线圈(1SLT和2SLT)布置在两处,电流互感器与脱扣线圈在断路器柜内部。其中方案1要用5根较长的连线(A411、C411、A412、C412、N411)。方案2要用7根较长的连接线(增加A413、C413)。显然,当电流保护动作时,方案2将加大了电流互感器的二次负担,如两者的距离越远,增加的二次负担就越大。连接导线对TA造成的二次负担不可小视,因此就降低了分流脱扣的可靠性。反过来说,电流继电器(1LJ和2LJ)与脱扣线圈(1SLT和2SLT)两者布置得远一些,就更不能用方案2的接线方式。
4.4 二次屏柜元件布置对接线的影响
除了各元件的布置习惯外,对屏内端子排的布置,各安装单位应分界清楚,每个安装单位的各功能端子排,如电流、电压、直流操作、信号、辅助回路等应从上而下依次排列。每个功能端子排应当独立,不能间入其他功能端子排。对元件的排列应根据接线逻辑功能来权衡布置,应注意各元件之间接线流程连贯,不要造成过多的往复交叉。如控制屏,从上到下三相电流表,紧靠有、无功功率表,一是便于观察,二是三相电流经各自的电流表后,都要进入功率表,不会造成接线往复、流程连贯。对于电流保护、电流继电器与时间继电器也应靠紧布置,不要一上一下或左右交叉,中间再插入许多其他功能继电器,既造成接线交叉,又不便于运行管理。如设计者自己设计元件布置,要做到排列清晰整齐、接线流程连贯和减少材料用量。
5、结束语
尽管不同的二次设备布置方式在相同的逻辑下其功能原则上相同,但合理的二次设备布置,可使用的材料更少,电缆交叉和重叠更少,设备清晰醒目,便于运行管理和维护,减少差错,提高供电可靠性。所以,在工程设计时,对二次设备的布置进行优劣权衡,以减少或杜绝接线的迂回往复,对提高变电工程建设、运行的经济型有一定的现实意义。