2磁控式电抗器的结构及工作原理
图
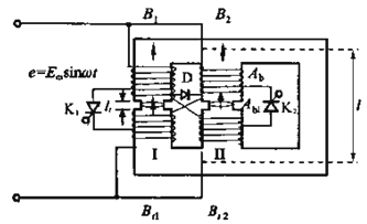
1为磁控式电抗器的结构原理图,图2为相应的等效电路图。从图1中可以看出,磁控式电抗器的主铁心分为两半,面积各为Ab,长度为l,并且每一半铁芯都具有一长度为
l1的小截面段,其面积为
Ab1(Ab1<Ab)。两个半铁芯柱上分别对称地绕有两个匝数为
N/2的绕组(半铁芯柱上的线圈总匝数为N);每一半铁芯柱的上下两绕组各有一抽头比为δ=N2/N(N=N1+N2)的抽头,它们之间接有可控硅
K1、
K2;不同铁芯的上下两个绕组交叉连接后,并联至电网
电源,续流二极管
D横跨在交叉端点上。

图
1磁控式电抗器的结构原理图

图
2磁控式电抗器的等效电路图
由电路图
2可以看出,若K1、
K2都不导通,由于结构的对称性,电抗器与空载变压器没有差异。假设
电源电压处于正半周,可控硅K1承受正向电压,而K2承受反向电压。若
K1被触发导通(
a和b两点等电位),电源电压经变比为δ的线圈自耦变压后,由匝数为
N2线圈向电路提供直流控制电流,等效电路见图
3(左)所示;若电源电压处于负半周,当K2导通时,同样在回路中产生直流控制电流,且所产生的控制电流的方向与
K1导通时一样,等效电路见图
3(右)所示,即在电源的一个工频周期内,两个可控硅的轮流导通起到了全波整流的作用,而续流二极管D起着续流的作用,利于可控硅的关断。通过改变可控硅的触发角就可以改变控制电流的大小,从而改变电抗器铁心的磁饱和程度,平滑调节可控电抗器的电感量。

图
3 K1、
K2轮流导通图
3 磁控式动态无功补偿原理

图
4新桥变电站磁控式动态无功补偿系统图
QF—负载所需的冲击无功负荷;QL—磁控电抗器产生的可调无功功率;
QC—滤波支路输出的基波恒定无功功率;QS—从电网中输入的无功功率.
由图可知,该站的磁控式动态无功补偿系统由磁控式电抗器(MCR)和补偿(滤波)支路组成。根据该站负荷的用电性质,磁控式电抗器、5次、7次、11次兼高通补偿(滤波)支路接在6KV母线III段上,3次补偿(滤波)支路接在6KV母线IV段上,从而,构成的补偿系统对该站6KV母线进行无功补偿。通过调节磁控式电抗器的控制角大小,就可以改变电抗器无功功率QL的值,以补偿负载无功功率的冲击,如当负载无功功率QF(QF=QF1+QF2)突然增大时,磁控式动态无功补偿控制装置对可控硅的触发导通角减小,使控制回路的电流增大,输出的无功功率减小,这样负载的无功功率的恒定部分由补偿(滤波)支路补偿,而变动部分由磁控式电抗器调节,以保证6KV母线输入的无功功率QS=QF+(QL-QC)保持恒定,从而,稳定了系统电压,减少了功率损耗,提高了功率因数,达到了动态无功补偿的目的。
MCR支路的电流中除了基波分量外,还有谐波分量,因而,在
6KV母线上装有3次、5次、7次和11次兼高通的滤波支路,其作用是为MCR支路和负载产生的谐波电流提供一个低阻抗通路,使谐波电流和电压对供电系统的影响减少到最小。
4 装置硬件控制系统
控制装置原理框图如图5所示,各部分功能介绍如下:
4.1信号取样部分
从2#变压器6KV侧(6301)、3#变压器6KV侧(6401)取电流信号,从III段PT柜(6302)取电压信号,经功率变送器计算出有功量和无功量,再送到CPU系统进行处理。
4.2信号输出部分
磁控式电抗器是通过改变可控硅的触发导通角来改变控制电流的大小,从而改变铁芯的磁饱和度来平滑地调节可控电抗器的容量。在每个工频周期,都必需发出触发可控硅的脉冲,此时必需准确确定时间基准,所以,控制系统要取电压同步信号,可在任何希望的时刻触发晶闸管。为保证强电和弱电的分离,输出信号经光电隔离,再接入晶闸管。

图
5 装置硬件控制系统结构图
4.3外部接口
采用人机接口,通过键盘,可手动调节可控硅的触发角,也可显示无功功率、有功功率、电流和电压等值,不使用键盘时,可自动调节可控硅的触发角。控制装置有
RS232通讯接口,操作后台可进行实时监控。
5 应用效果
新桥变电站的磁控式动态无功补偿装置于2008年2月份底安装调试完毕并投入运行,至今运行稳定。投入运行前后测试结果表明,以快速响应的磁控式电抗器和补偿(滤波)支路组成的补偿元件,配以相应的快速无功功率检测环节组成的无功功率补偿系统,可以保证补偿的快速型、准确性和合理性,能够快速补偿系统无功功率,使功率因数保持在0.90以上,而且也能满足谐波抑制要求,很好地改善了供电质量,提高了供电系统的经济效益。这样有力地保障了新桥变电站的安全稳定运行,提高了供电的可靠性。
6 结束语
新桥变电站磁控式动态无功补偿装置(MSVC)的投运,标志了我们供电处对永城本部矿区变电站电能质量的治理提高到一个新的阶段,进一步确保了矿区的供电安全。
参考文献:
[1] 王兆安等 谐波抑制和无功功率补偿 机械工业出版社 2005.10
[2] 粟时平 刘桂英 静止无功功率补偿技术 中国电力出版社 2006
[3] 磁控式动态无功补偿装置说明书 杭州银湖电气设备有限公司