由于人们对数字形式信息的需求量越来越大,数据通信及其应用技术受到越来越广泛的关注和应用。随着技术的发展。USB通信正向高速、方便快捷、稳定可靠的方向发展。目前,大多数USB设备都是需要与PC机相连进行通信,而USB设备之间的通信则无法实现。而对于一些处在特殊环境下的称重设备的数据传输和系统升级,PC机很不方便实现,因此迫切要求开发出能够识别USB设备的主机端口。这样使用U盘等设备就能实现数据传输。本系统设计在AT91SAM7X256控制器的基础上,增加了主机端口,适用于工矿企业中称重设备的数据更新和系统升级。
1 系统整体方案
USB(Universal Serial Bus)即通用串行总线,提供一种兼容不同速度的、可扩充的,使用方便的外围设备接口,同时也是为解决计算机接口太多等问题而设计的。在嵌入式系统中如果处理器集成了OHCI标准的USB主机控制器,则直接就可以引出USB主控端口:而对于没有集成的处理器,则需要使用USB主控器件,从总线上扩展USB主机接口。很多IC制造商都提供这种主控器件,如Scanlogic公司的SL811HS/T等。在编写USB设备驱动程序设计时,可以分为3部分编写:主机端设备驱动程序、主机控制器驱动程序设计和设备端驱动程序。对于一些不具备USB主机端口的设备,为了实现通信的方便、快捷性,如与U盘直接通信等设备是完全有必要在原来设备的基础上扩展USB主机端口。

该系统硬件设计是由电源、复位、时钟电路、以太网口、USB主机和设备端口以及串口组成,其结构框图如图1所示。其中,以太网口用于将设备接入网络实行远程管理和监控。将设备的数据接入Internet,实现远程监控,适用于工矿企业设备的集中化管理和维护。USB主机端口通过主机控制器SL811HS/T与控制器AT9lSAM7X256相连,进行数据通信。USB设备端口作为与PC机通信的接口。该系统设计的创新在于该设备抛开了PC机,既可作为主机,也可作为外设,并与其他0TG设备直接实现点对点通信。
2 硬件电路设计
USB主机与设备之间的通信最终都是通过USB主机控制器和USB设备的总线接口间的电缆实现的,任何一个输出请求都是由主机控制器组成包的形式发往总线的。USB,总线中只有一个主机,它是USB树形结构的根,通过一个根HUB提供一个或多个连接点,由其连接各个USB设备。
2.1 核心器件选型
该系统设计选用Scanlogic公司的SL811HS/T作为USB主机接口器件,该器件是既能用作Host模式又能用作Slave模式的,具有标准微处理器总线接口USB控制器,适用于非PC设备在Host模式下,它支持嵌入式主机与USB外围设备的通信,在Slave模式下,可作为主机的一个外设。SL811HS具有以下特点:是遵循USBl.1协议的嵌入式USB Host/Slave器件;提供8 bit宽数据总线及中断支持,方便与微处理器、微控制器连接;通过硬件设置或软件设置,工作在Host或Slave模式;自动探测所接设备是低速设备还是高速设备:8 bit双向数据总线;片上SI-E、USB收发器;软件控制下运行为单个USB主或从设备主机或从设备模式有1.5 Mb/s的低速,12 Mb/s的全速,自动识别低速和全速设备8位双向数据,工作于12 MHz或48 MHz晶振或振荡器。
微处理器是系统核心,其性能直接决定该系统设计的准确性,稳定性和可靠性。基于本系统对精度和实时性的要求。选用ATMEL公司的AT9lSAM7X256单片机。它具有以下特点:1)内部集成ARM7TDMI ARM Thumb处理器,支持嵌入式ICE内电路仿真以及调试通信接口:2)复位控制器(RSTC),基于上电复位单元,提供外部信号整形和复位源状态;3)时钟发生器(CKGR),低功耗RC振荡器,3~20 MHz片上振荡器和1个PLL;4)电源管理控制器(PMC),具有电源优化功能,包括慢速时钟模式(低于500 Hz)和空闲模式,4个可编程外部时钟信号;5)USB2.0全速(每秒12Mbit)设备接口,具有片上收发器,大小为1 352字节的可配置成FIF0;6)10/100base-T(Mb/s)的以太网口;7)提供片上1.8 V稳压器,
为内核及外部组件提供高达100 mA的电流,3.3 V VDDIO提供I/O线电源,独立的3.3 V VDDFLASH提供Flash电源,具有掉电检测的1.8 V VDDCORE提供内核电源。
2.2 AT91SAM7X256的USB设备端口设计
AT91SAM7X256的USB设备端口原理图,如图2所示。由于AT91SAM7X256支持USB2.0全速(每秒12 Mbit)设备接口,故AT91SAM7X256的2个引脚DDM和DDP与外界USB相连,直接实现USB设备端口。

由USB接口输入5 V直流电源,二极管VD1用于限制电源的导通方向,经过C18、C19滤波,然后经过SPXll7M-3.3将电源稳压至3.3 V。为了降低噪声和出错率,应隔离模拟电源与数字电源,图3中的L1和L2用于电源隔离元件(将数字电源的高频噪声隔离)。SPXll7M-3.3是Sipex公司的LDO器件,其特点为输出电流大,输出电压精度高稳定性高。SPXll7M系列LD0器件输出电流可达800 mA,具有电流保护和热保护功能,可广泛应用于数字家电和工业控制等领域。

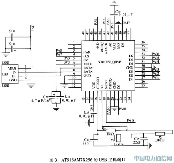
2.3 USB主机端口设计
AT91SAM7X256的USB主机端口原理图,如图3所示。SL811HS/T选用48引脚的TQFP封装形式,SL811HS/T既能用作Host模式又能用作Slave模式。将SL811HS/T的M/S引脚接地,即设为低电平信号(M/S=0),选择作为主机端口。