1 引言
随着科技的发展和自动化水平的提高,温度的自动监测已经成为各行各业进行安全生产和减少损失采取的重要措施之一。特定场合下由于监测分站比较分散、偏远,采用传统的温度测量方式周期长、成本高,而且测量员必须到现场进行测量,因此工作效率非常低。且不便于管理。本文提出了基于GSM的远程温度监测系统,采用美国Dallas公司生产的DSl8820数字温度传感器,通过现有的GSM网络将监测结果以短信方式发送至相应的监控终端(如手机、PC机)。系统具有结构简单、可靠性高、成本低等特点,可广泛应用于桥梁混凝土测温、油气井场、电力电缆火灾监测、粮仓及物资仓库温度监测。
2 远程温度监测系统硬件设计
2.1系统构成
系统分为监测中心站和远程监测分站两部分:监测中心站主要由监测中心站服务器、GSM无线通信模块、数据库系统及其应用软件组成;远程监测分站主要由AT89C52单片机及外围电路、温度传感器和GSM无线通信模块(TC35i)组成。
监测中心控制GSM无线通信模块收发短消息,接收各监测分站采集的温度数据,然后对数据进行显示、处理和打印等。远程监测分站实现温度数据的采集、处理和显示。同时控制GSM无线通信模块收发短消息。监测中心站与远程监测分站之间通过GSM网络实现无线远程通信。实现了基于GSM网络的远程监测系统。系统总体结构如图1所示。

2.2单片机外围电路设计
该系统的MCU采用Atmel公司生产的AT89C52单片机。它是一种低电压、低功耗、高性能的CMOS 8位单片机,片内含8 kB可反复擦写的程序存储器和256 B的数据存储器。单片机外围电路除了包括单片机正常工作所必须的元件外,还包括键盘、LED显示电路及看门狗电路等,系统硬件电路原理图如图2所示。

按键用于对终端进行参数设置。4位LED显示器可以显示现场的温度数据。方便相关人员现场读取。为了实现可靠的复位信号,并且能在计算机受到干扰,程序不能正常运行时自动产生复位信号。设计温度采集电路时应选用Dallas公司生产的微机监控电路DSl232(看门狗)。其主要功能为:产生上电复位和手动复位;监视电源电平;监视软件运行状态;当程序运行出现飞车时,产生复位信号。
2.3温度检测电路
温度检测电路采用Dallas公司生产的1-Wire接口数字温度传感器DSl8820,它采用3引脚T0-92封装:温度测量范围为-55℃~+125℃.编程设置9~12位分辨率。现场温度直接以1-Wire的数字方式传输。大大提高了系统的抗干扰性。多个DSl8820可并联至3或2根总线上.CPU只需1根端口线就能与多个DSl8820通信,占用微处理器的端口较少,可节省大量的引线和逻辑电路。温度检测电路原理图如图2所示,主机控制DSl8820实现温度转换,DSl8820采用外接电源方式,其VDD端采用3 v~5.5 V电源供电。
2.4 TC35i通信模块
TC35i是西门子最新推出的无线通信模块,功能与TC35兼容,设计紧凑。TC35i与GSM 2/2+兼容,双频(GSM900/GSMl800)工作,带有RS232数据口。符合ETSI标准GSM0707和GSM0705,且易于升级为GPRS模块。
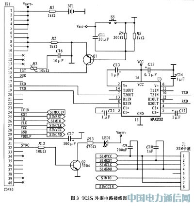
该模块集射频电路和基带于一体,向用户提供标准的AT命令接口,为数据、语音和短消息提供快速、可靠、安全的传输,方便用户的应用开发及设计。TC35i有40个引脚,通过ZIF连接器引出。这些引脚可划分为5类,即电源、数据输入/输出、SIM卡、音频接口和控制。TC35i外围电路图如图3所示。

1~14引脚为电源部分,其中l~5引脚为电源电压输入端VBATT+6~10引脚为电源地GND,ll~12引脚为充电端,13引脚为对外输出电压(供外部电路使用),14引脚ACCU/TEMP接负温度系数的热敏电阻;24~29引脚为SIM卡连接端;33~40引脚为语音接口用来接电话手柄。15、30、31和32引脚为控制部分,15引脚为启动线IGT(Ignition)。当TC35i通电后必须给IGT一个大于100 mV的低电平,模块才能启动。30引脚为RTC back up;31引脚为掉电控制;32引脚为SYNC,16~23引脚为数据输入/输出端。
电源电路分为充电电池和稳压电源模块两部分。充电电池为整个系统提供3.6 V 工作电压.同时产生MAX232所需要的高电平:三端电源模块LM7806将外部12 V直流电源转换为6 v.连接至ZIF连接器的11、12引脚。在充电模式下可为TC35i提供6V/500。mA的充电电源。
启动电路由漏极开路三极管和上电复位电路组成。模块上电10ms后(电池电压须大于3 V),为使之正常工作,必须在15引脚(IGT)施加低电平信号,至少保持100 ms且该信号下降沿时间小于1ms,启动后15引脚应保持高电平。
数据通信电路主要实现短消息收发、与PC机通信、软件控制等功能。TC35i的数据接口采用串行异步收发,符合RS-232接口电路标准。工作在CMOS电平(2.65 V)。数据通信电路以MAX232为核心实现电平转换及串口通信。
3 软件设计
系统主要的任务是监测被控对象的温度.然后通过TC35i发送到监测中心。系统软件设计的重点在于单片机的编程。通过向TC35i写入不同的AT指令完成多种功能。监测分站主程序流程如图4所示。
监测软件主要包括初始化程序、信号采集处理程序和短消息收发程序等。初始化程序包括硬件初始化、定时器和串口初始化:信号采集和处理主要完成外部采集的温度转换:接收短消息采用查询方式.一旦短消息到达,调用串口接收程序解码短消息内容并做出相应处理:发送温度信号采用定时方式,将采集的温度编码为短消息。然后调用发送指令将短消息发送到监测中心。

4 结束语
本文对GSM远程温度监测系统硬件和软件设计进行说明。温度检测采用DSl8820.非常适用于多点、恶劣环境下的温度监测系统。GSM模块利于系统集成,成本较低,运行稳定可靠,适用于远距离监测,不受地形条件的限制,有着广泛的应用前景。