Avnet公司的DaVinci数字视频开发平台采用Xilinx公司的3SD1800A-FG676 FPGA和TI公司的TMS320DM6437“DaVinci”DSP,不仅能评估Spartan-3A DSP和DaVinci DSP的主要特性,而且能实现各种应用如飞机娱乐系统、人机视频系统、机器人、可视电话以及汽车视频系统、可视对讲和智能识别。
该开发板提供了必要的硬件,不仅可以评估Spartan-3A DSP 和DaVinci DSP器件的先进功能,而且通过采用Spartan-3A DSP DaVinci开发套件上的外设,或连接在EXP扩展连接器上的EXP模块,实现了用户的各种应用需求。

图1 Spartan-3A DSP DaVinci开发板外形图

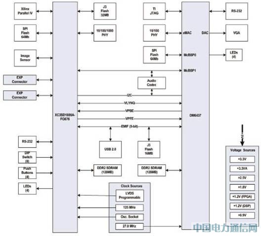
图2 Spartan-3A DSP DaVinci开发板方框图
3SD1800A-FG676主要特性
·时钟
-125MHz的LVTTL SMT振荡器
- LVTTL振荡器插座
-可编程LVDS时钟
·内存
- 128M×32位的DDR2 SDRAM
- 32MX8并行/ BPI配置闪存
- 64MB SPI配置/存储闪存(4个额外的可选SPI)
·接口
- 10/100/1000 PHY
- JTAG编程/配置端口
- RS232端口

图3 Spartan-3A DSP DaVinci开发板电路图(1)

图4 Spartan-3A DSP DaVinci开发板电路图(2)
·按钮和开关
- 4个用户指示灯
- 8位用户DIP开关
- 4个用户按钮开关
-复位按钮开关
·用户I/O和扩展
- EXP扩展连接器
·配置和调试
- JTAG
- Eridon调试连接器(SATA)
TMS320DM6437 “DaVinci”主要特性
·时钟
- 27MHz SMT振荡器
·内存
- 128M×32位DDR2 SDRAM
- 32MX8并行/ BPI配置闪存
- 64MB SPI配置/存储闪存(4个额外的SPI选择)
·接口
-10/100 PHY
-立体声音频编解码器
- JTAG编程/配置端口
- RS232端口
-分量和复合视频的视频DAC
·按钮和开关
- 4个用户指示灯
详情请见: http://solution.eccn.com/solution_2012011311042820.htm