根据“十一五”规划建设目标,我国将全面实现20户以上共71.66万个已通电自然村的“村村通”广播电视。2008年6月,随着中星9号的顺利升空,我国的“村村通”工程进入直播卫星时代。根据国家广电总局的规划,在目前已经开通48套电视节目的基础上,未来还将开展多种增值服务,如高清、推送视频点播等内容,并由此推动相关的产品制造、服务行业的发展与产业升级,形成上千亿元的市场规模,为拉动内需,促进经济发展,发挥积极作用。针对该市场的巨大需求,Maxim推出MAX2119,本文介绍了基于Maxim MAX2119和中天联科AVL1108解调芯片的直播星NIM调谐器的参考设计。
硬件设计
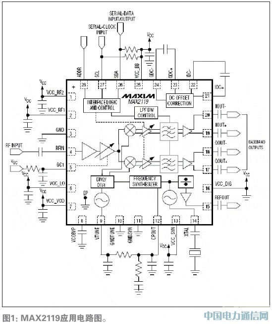
MAX2119低成本、直接变频调谐器IC专为直播星机顶盒设计,封装为5mm x 5mm、28脚QFN。MAX2119使用宽带I/Q下变频器直接将卫星信号从LNB变频到基带,工作频率范围扩展到925MHz到2175MHz。该器件包含LNA、RF可变增益放大器、I/Q下变频混频器、截止频率可编程的基带低通滤波器和数控可变增益基带放大器。RF和基带可变增益放大器相配合,能够提供大于80dB的增益控制范围。MAX2119包含完整的单片VCO和N分频频率合成器。另外,片内晶体振荡器提供缓冲输出,用于驱动额外的调谐器和解调器。通过2线串行接口实现合成器的编程和器件配置。IC能够自动选择VCO(VAS),以自动选择适当的VCO。在多调谐器应用中,该器件可以配置为两个2线接口地址的其中之一。

AVL1108主要功能包括基带信号解调和信道解码,用于将卫星调谐器输出的ABS-S基带信号转换成TS流,并通过简单的接口提供给后端解码芯片。接收信号经过匹配滤波器、符号时钟恢复环路、载波频率和相位跟踪环路、均衡器、前向纠错解码器,之后生成TS流,输送给后端解码芯片。AVL1108在8PSK解调模式下,符号速率达到45MSps,净码流速率达到120Mbps的卫星信道接收芯片,可提供更多频道接收和高清晰度电视传输。 通过标准I2C总线控制接口,后端处理芯片可以方便控制AVL1108,并通过AVL1108峁┑腄iSEqCTM接口,对下变频器(LNB)进行配置。AVL1108提供了射频自动增益控制,只需通过简单的阻容网络就可以与前端调谐器连接。AVL1108针对ABS-S信号格式进行专门优化处理,能够实现完美的时钟同步和卓越的前向纠错性能。AVL1108集成双通道高性能差分模数转换器(ADC),具备消除直流、IQ补偿和相位补偿功能。 AVL1108具备极强的抵御相位噪声能力,可以在频偏达到5MHz的环境中快速锁定信号,并能维持精确的时钟同步。


MAX2119外围仅需要一个晶体以及少量的电阻电容就可以组成一个完整ABS-S接收前端。可直接将ABS-S信号下变频到解调芯片所需要的I/Q信号。RF输入频率范围为950MHz至2150MHz,覆盖目前直播星的950MHz至1450MHz的主要工作频段。晶体的参考频率为12MHz至30MHz。
系统测试
本文仅给出了噪声系数的测试环境及方法,关于其它项目测试所需设备及具体方法,请联系Maxim工程师。
噪声系数测试环境及方法

测试条件
测量噪声系数时,须用功率计和阻抗转换器认真校准其输入信号功率。校准之后,输入一个-90dBm的单音射频信号到F端,而后在I/Q输出接口端用频谱仪测量I/Q输出和噪声谱密度。噪声系数可通过以下公式计算得出。
射频频率 = 1550 MHz (信号源产生的单音信号)
输入功率= -90 dBm (校准的)
GC1 = 0.5 V
GC2 = +10dB
线损= 0.88dB
从频谱仪读出的数值:
输出功率 (I/Q) = -16.81 dBm
噪声谱密度 = -89.51dBm/Hz (noise density)
结果:
噪声系数 = 174 - (输出功率- 输入功率) +噪声谱密度-3 – 线损
= 174 – (-16.81+90) – 89.51-3-0.88 dB
= 7.42 dB
测试结果
RF性能
图5、图6、图7分别给出了杂散辐射、输入回波损耗和噪声系数指标的测试结果,图5所示杂散辐射低于-102dBm;图6所示输入回波损耗在950MHz-2150MHz段低于-6.2dB;图7所示为950MHz到2150MHz频段内的噪声系数,950MHz为7.85dB,2150MHz为8.07dB。基带增益设置为+10dB。



基于MAX2119和AVL108的ABS-S直播星NIM调谐器设计为客户设计直播星机顶盒提供了参考,客户只需加入解码芯片部分电路、电源、前面板即可组成一个完整ABS-S机顶盒。