摘要:本文以单片机W78E58为核心对用户电能数据进行采集,配以MAX813L和DS12887实现掉电检测和数据保护,采用西门子TC35i及其外围电路构成无线监控通信终端,利用GSM无线通信网络实现将用户电能数据传送给系统中心计算机,实现了GSM无线网络远程电力自动抄表系统。
0 引言
目前我国电能数据的采集基本上为手工抄表,这种方式需要抄表工人挨家挨户去读取电能表的数字,每月或每两月抄一次,如果用户家中无人就没法读取数据。通过微机或手工制作的电费单催缴用户电费,而且人工抄表的方式还非常不利于数据统计,还存在着错抄、漏抄、估抄等问题。现在科学技术的发展对抄表方式也提出了新的要求,要求提高可靠性、实时性及数据处理方便性,而无线自动抄表系统则是自动抄表系统中一种较优的方式。
1 自动抄表系统总体设计
无线抄表系统是由监控中心计算机系统、无线远程抄表终端和GSM无线通信移动网三部分构成,系统总体结构如图1所示。监控系统中心计算机的主要功能是接收下位机发来的电度数,算出电费,然后发送短消息到用户手机,并生成和打印报表等。远程抄表终端定时读取电度表,并发送到监控中心计算机。

图1 电能表无线自动抄表系统总体结构图
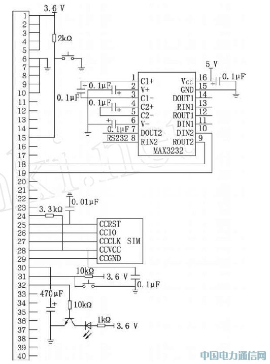
2 GSM无线通信的硬件
无线通信终端采用SIEMENS TC35i作为通信模块,配以MAX3232实现TTL 电平到RS232电平的转换,如图2 所示。TC35 i 与GSM 2 /2 + 兼容、双频(GSM900 /GSMl800 ) 、RS232 数据口、符合ETSI标准GSM0707和GSM0705,且易于升级为GPRS模块,模块有AT命令集接口,支持文本和PDU 模式的短消息。
该模块集射频电路和基带于一体,向用户提供标准的AT命令接口,为数据、语音、短消息和传真提供快速、可靠、安全的传输,方便用户的应用开发及设计。
TC35 i有40个引脚,通过一个ZIF (零阻力插座)连接器引出。这40个引脚可以划分为5类,分别为电源、数据输入/输出、SIM卡、音频接口和控制。其中15脚为点火线IGT,当TC35 i通电后需给IGT一个大于100ms的低电平,模块才启动; 31 为Power down, 32 为SYNC.16 - 23 为数据输入/输出,分别为DSR0、RING0、RxD0、TxD0、CTS0、RTS0、DTR0和DCD0.TC35 i的数据输入/输出接口实际上是一个串行异步收发器,符合ITU - TRS232接口标准。它有固定的参数: 8位数据位和1位停止位,无校验位,波特率在300 bp s~115 kbp s之间可选,硬件握手信号用RTS0 /CTS0,软件流量控制用XON /XOFF, CMOS电平。

图2 TC35 i外围电路图
3 电能抄表测量端的硬件
在本设计中,电能抄表测量端以W inbond 公司的单片机W78E58为核心如图3所示,采用MAX813L和S12887分别实现掉电检测和数据保护的功能。工作时,单片机只需定时测量单相脉冲电能表输入的脉冲,再根据脉冲数与用电量之间的比例关系即可得到用户的用电量,定时通过TC35 i无线通信终端监控发送用户的用电量到系统中心计算机。

图3 电能抄表测量端硬件图
MAX813L 除了具备手工复位功能外,还能够在上电、掉电以及降压情况下提供复位信号。当VCC降到低于4. 65 V门限电压时RST变为高电平,在VCC上升超过4. 65 V门限电压后能保持复位信号200 ms;当VCC降到1 V 时仍能保证复位输出处于正确的状态。MAX813L同时还能对系统电源前端监测,当PF1输入低于1. 25 V时,PF0则输出低电平,以供单片机通过中断对现场数据进行保护处理。
DS12887美国DALLAS公司推出的8 位并行接口实时时钟/日历芯片,内含14 字节时钟和控制单元、114 字节的用户非易失性RAM、十进制/二进制累加器、总线接口电路。内置一个锂电池,断电后能运行十年以上而不丢失数据;具有计秒、分、时、日、月、年、星期信息,并有闰年补偿功能; 可编程用二进制码或BCD 码来表示时间、日历和闹钟;具有定时中断、周期性中断、时钟更新周期结束中断。
液晶显示模块采用带中文字库的128X64是一种具有4位/8位并行、2线或3线串行多种接口方式的FYD12864 - 0402B,内部含有国标一级、二级简体中文字库的点阵图形液晶显示模块;内置8192个16 3 16点汉字,和128个163 8点ASC II字符集,也可完成图形显示。系统还可以通过按钮实现查询当前用电量、本月用电量等功能。
4 系统软件设计
4. 1 远程抄表终端程序设计
程序设计的任务是: (1)用户电量的采集与处理;(2) TC35 I的启动、状态检测; (3)单片机与TC5 i的串口通信; (4)液晶显示。系统软件主要由初始化模块、电量的采集模块程序、串口发送模块程序和显示模块四部分组成。主程序流程如图4所示。

图4 主程序流程图
目前,发送短消息常用Text和PDU ( Protocol DataUnit,协议数据单元)模式。使用Text模式收发短信息代码简单,实现起来容易,但缺点是不能收发中文短信:而PDU模式不仅支持中文短信,也能发送英文短信。PDU模式收发短信可使用3种编码: 7 - bit、8 -bit和UCS2编码。7 - bit编码用于发送普通的ASC II字符,8 - bit编码通常用于发送数据消息,UCS2编码用于发送Unicode编码字符。单片机与TC35 i的软件接口其实就是单片机通过AT指令控制手机的控制技术,首先设置TC35 i模块的工作模式; AT + CMGF =n, n = 0 为PDU 模式,n = 1为文本模式;通常设置为PDU模式,在这种模式下,能传送或接受透明数据(用户自定义数据) .AT +CMGL = n为读TC35 i模块内的短消息,n为短消息信号。AT + CMGL = n为列出模块内的短消息,n = 0时未读的短消息,n = 1为已读的短消息,n = 2为未发送的短消息,n = 3为已发送的短消息,n = 4为所有短消息。AT +CMGL = n为删除TC35 i模块内的短消息,n为短消息编号。通过TC35 i写入不同的AT指令,能完成多种功能,如网络登录、发送SMS消息、接受SMS消息等。在本系统中串口通信采用中断的方式来实现的,其短消息发送流程图如图5所示。

图5 TC35 i短消息发送流程图。
4. 2 系统中心计算机软件设计
本设计根据软件总体设计的要求和过程,整PC机软件分为数据通讯、数据管理模块二大部分。在本设计中PC机作为上位机,通过串口与TC35 i通信,其通信软件主要是利用VB6. 0 的MSCOMM 控件实现的。利用VB建立一个库文件,将PC机接收TC35 i传送来的短消息,用于数据的显示、存储。数据管理部分负责数据的统计、查询以及数据库的备份和维护。系统软件整体结构框图如图6所示。

图6 PC机软件结构框图
5 结论
采用GSM远程无线自动抄表系统大大减少了人力,提高了效率,提高了可靠性,降低了费用,为合理用电提供高效、科学的管理手段,为电力部分的电能表管理网络化、抄表自动化提供一种可选择的有效方法,有很好的经济效益和社会效益。