0 引言
列车在高速运行的过程中,机车与钢轨的频繁冲击会造成车辆轴承的发热,当轴承磨损和产生缺陷时,会造成机损从而影响车辆的正常运行,甚至出现热切轴,直接导致火车发生故障翻车,给国家和社会在铁路运输造成巨大的经济损失。目前我国大部分采用红外轴温监测系统,但这种设备易受外界环境影响、探测点受车身摆动影响定位困难等原因,使得轴温过高告警兑现率低、误报率极高、而且外界因素对其工作状态容易产生很大的干扰,失真严重,极有可能给发出错误的温度提示,影响铁路运输的正常工作[1-2].针对这种情况,设计了系统简洁、布局小巧、灵敏度高、收发信息能力快速的高速列车轴温集中监测系统,可在第一时间发现运行中的列车轴承是否温度过高,如轴温超过预设定值,就发出报警信号,机车司机可及时的停车检查,有效地降低事故发生率,避免因事故而产生的巨大经济损失,维护铁路运输的正常运行。
1 系统总体设计
高速列车有多节车厢组成,每节列车车厢有两个车轴架,每个车轴架上有两个车轴,每个车轴两端又有两个轴箱。设计中在每个轴箱上安装一个轴温传感器,每个轴架上设一个监测节点。绝大多数列车轴温报警装置仍然沿用了传统的单车分散报警的模式,又考虑到列车存在经常调换机车车头和车厢的问题,所以在传输方式上系统选用了2.4G无线通信传输方式。
为了防止数据阻塞,采用了轮询问答方式进行通信,大大提高了通信质量和可靠度。系统主要由多个监测节点和一个部署在驾驶舱内的监测台组成。系统结构示意如图1所示。

图1 系统结构示意图
监测节点通过温度传感器将模拟信号转换成数字信号,实时地将列车每个车轴的轴温情况传送到安装在机车头的监测控制台,进行分析、显示,供机车司机或者地面车辆检修部门随时监测车辆运行时轴温的变化情况。在列车运输过程中,当出现轴温异常时,监测台能发出报警信号给司机,提醒及时停车采取一定的措施排除故障,降低了机车在运行过程中因轴温过高发生事故的几率,从而确保列车运行的安全。
2 硬件结构
系统的无线节点硬件主要由微控制器ATmega128L、温度传感器PT100、无线通信模块nRF24L01、存储器K9F5608和电源管理模块等组成。其中监测台还包括报警和显示屏单元。
硬件部件的控制器单元主要功能在于控制温度传感器采集列车的轴温信息,并对信息进行处理和转发,以及对接受到的数据进行分析、显示。数据采集单元主要是通过温度传感器对轴温信息的采集。无线通信单元用于发送采集到的轴温数据,并与列车监测台进行实时通信。节点硬件构成如图2所示。

图2 节点硬件构成
2.1 微控制器ATmega128L
考虑到控制器既要满足系统的需求,又要保持低功耗和小体积的特性,故选用了8位微控制器ATmega128L,相对于其他通用的8位微控制器来说,它具有非常丰富的资源,工作于16MHz时性能高达16MIPS,具有片内128k字节的程序存储器,4k字节的数据存储器和4k字节的E2PROM;具有两个16位定时器/计数器;具有53个通用I/O 口线、实时时钟RTC、两个USART、可工作于主机/从机模式的SPI串行接口、8路10位ADC、两路8位PWM、与IEEE1149.1规范兼容的JTAG测试接口用于片上调试,以及6种可以通过软件选择的省电模式。控制器的ADC口与PT100的输出连接,SPI接口与无线通信模块nRF24L01连接实现数据的收发,PWM口用来驱动监测台的报警单元,数据总线和地址总线与存储器配合使用。
2.2 无线通信模块nRF24L01
nRF24L01是工作在2.4GHz~2.5GHz的ISM 频段的单片射频收发器,内置频率合成器、功率放大器、晶体振荡器、调制器等功能模块,支持Shock-Burst和Enhanced Shock-Burst两种数据传输方式,其中输出功率和通信频道可通过程序进行配置。nRF24L01功耗低,在以-6dBm的功率发射时,工作电流也只有9mA,接收时,工作电流只有12.3mA,多种低功率工作模式(掉电模式和空闲模式)使节能设计更方便,接口最高速率可以到达8Mbps,工作电压1.9~3.6V,采用SPI接口进行数据的收发,无线数据的传输速率最高达2Mbps,并有自动应答和自动重发射功能。输出功率、频道分配及协议的选择可以通过SPI接口进行设置[3].
2.3 温度传感器PT100
常用的接触式测温传感器有热电偶、热电阻、半导体石英晶体等,铂热电阻在0℃时的电阻值称R (0℃)和100℃时的电阻值称R (100℃)以及R (100℃)/R (0℃)叫做比值W100.监测节点温度传感器采用的是铂电PT100,PT100的含义为(0℃)时的名义电阻值为100Ω,在温度作用下,铂热电阻丝的电阻值随之变化而变化,且电阻与温度的关系即分度特性完全和IEC标准等同,因此PT100主要用来测量-200~+600℃的温度。铂电阻的电阻值与温度成非线性关系,所以需要进行非线性校正[4].校正分为模拟电路校正和微处理器数字化校正,模拟校正有很多现成的电路,其精度不高且易受温漂等干扰因素影响,数字化校正需要在微处理系统中使用,将铂电阻的电阻值和温度对应起来后存入EEPROM 中,根据电路中实测值以查表方式计算相应温度值。常用的Pt电阻采样电路有两种:一为桥式测温电路;另一为恒流源式测温电路。
系统中监测节点采用的是是第一种桥式电流测温电路,其具有测量准确度高、测量范围大、复现性和稳定性好等优点。
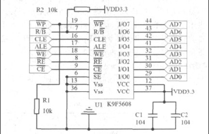
2.4 存储器K9F5608
存储器K9F5608 是三星公司生产的32MBytes容量的NAND Flash芯片,用来存储临时的轴温数据,当通信中断时可以把数据存在K9F5608中,待通信恢复正常后再将这些数据发送至监测台。它具有8位数据/地址复用接口以及CLE、ALE、WP、R/B、CE等控制信号,硬件接口比较简单,但读写时序相对较复杂,需要依次送入命令、地址、数据等。实际需要输入24位的地址用来寻址,由于该芯片与控制器ATmega128L的接口是8位地址数据复用线,所以需要3个周期才能完成24位地址的输入[5].存储器K9F5608外围电路如图3所示。

图3 K9F5608外围电路
控制器ATmega128L的PA口完成对Flash数据﹑地址与命令的传输;用控制器的PG口来完成对Flash传输状态的选择,如CLE、ALE、R/B、CE等;用控制器的WE和RD信号来选择FLASH是读还是写,在总线上传输的一般顺序为:
命令->地址->命令/数据。
3 软件设计
系统软件包括监测节点软件和监测台软件两部分。为了确保正常通信,采用问答方式,即控制台依次与每个监测节点建立通信,收到节点发来的数据后,再收取下一个节点的温度数据信息,这样就避免了阻塞的情况,确保数据的可靠性[6].
3.1 监测节点软件
监测节点上电后,首先进行系统初始化,包括控制器各端口、寄存器和通信模块nRF2401的配置等,之后进入接收控制台指令状态。当接收到指令时,立即读取传感器PT100的输出值,经过查表处理得出当前轴温信息,与节点ID打包正数据帧后发送到监测台,并继续进入到接收指令状态。监测节点软件流程如图4所示。
3.2 数据格式
系统了制定了简单的数据帧格式,如表1所示。

图4 监测节点软件流程

表1 监测节点数据帧结构
每个帧的帧头都以‘start'’开始,占用5个字节;然后是占用3个节点的ID,可以认为是节点在网络中的地址;再接下来就是占用6个字节的温度值。当监测台发送指令时,每个监测节点都收到数据,但只有指令中ID与节点ID匹配时才会将该数据返回给监测台,如果不匹配则不做任何处理。
3.3 监测台指令帧结构
监测台与各监测节点通信的时候主要是通过发送指令完成的,指令帧结构如表2所示。

表2 监测台数据帧结构
每个指令帧也是以“start”开始,占用5个字节;然后是需要提供温度数据的节点ID,占用3个字节;再接下来是指令的有无效,占用1个字节;最后是以“end”的帧尾结束符,占用3个字节。
3.4 数据发送和接收
发送数据。首先将nRF24L01配置为工作在PTX 模式,接着把地址TX_ADDR和数据TX_PLD按照时序由SPI口写入nRF24L01缓存区,置CE为高电平并保持至少10μs,拉低CE后发射数据,并立即进入接收模式等待应答信号。如果收到应答,则认为此次通信成功,TX_DS置高,同时TX_PLD从发送堆栈中清除;若未收到应答,则自动重新发射该数据,若重发次数ARC_CNT达到上限,MAX_RT置高,TX_PLD 不会被清除;MAX_RT 或TX_DS置高时,使IRQ变低,通知处理器做相应处理。发射成功后,进入空闲模式。
接收数据。首先将nRF24L01配置为PRX接收模式,接着延迟130μs进入接收状态等待数据的到来。当接收方检测到有效的地址和CRC时,就将数据包存储在接收堆栈中,同时中断标志位RX_DR置高,IRQ变低,通知处理器读取数据,接收完数据后进入发射状态并回传应答信号,接收成功,CE变低进入空闲模式[5].
4 试验结果与分析
试验采用双层集装箱车,分别对空载和载重的两种不同情况车厢进行了测试。空载车厢自重为25t,载重车厢重为78t.
两种情况的测量结果如图5所示。

图5 测试结果
由于列车运行情况相对复杂,轴温与速度、运行时间、制动、载重和环境温度等情况都有密切关系。从对图5的分析看,具体关系是:速度越快,轴温越高;列车启动阶段,即0~30km之间,随着运行时间的增加轴温越高,当达到一定程度时,运行时间不再轴温;在行驶到43~50km处,列车制动使车轴急剧升高,温度达到71.45℃;在运行稳定状态下,载重78t的车厢明显比载重25t的车厢,温度高6℃左右;另外,环境越高,轴温越高。不难看出,载重越大,轴承运转温度越高,并且上升速度越快。
5 结论
针对目前列车轴温探测存在的不足,借助于现代无线传感器网络技术,设计了系统简洁、布局小巧、灵敏度高、收发信息能力快速的高速列车轴温集中监测系统,摆脱了传统有线的传输方式,可实时监测运行中的列车轴承情况,如超过轴温监测预设定值,就发出报警信号,便于及时采取有效措施,有效地降低事故发生率,避免因事故而产生的巨大经济损失。经过实验得到两种载重情况运行列车的轴温数据,分析了提速列车的轴温变化规律,给改进热轴预报提供了数据基础,对维护铁路运输的正常运行和高速铁路的发展具有重要意义。 